拉曼探头

拉曼探头

GIE-LAMAN-PROBE

拉曼探头是针对532nm,785nm,830nm,1064nm等雷射拉曼光谱应用而设计的探头。通过与半导体雷射器和光谱仪配合使用,实现拉曼光谱测量应用。通过配备不同的样品支架,可以针对形态为固体、液体或粉末状的样品进行量测。OD6的光学干涉滤光片有效保证了瑞利信号的滤除,坚固紧密的设计使得拉曼探头更易实现拉曼光谱测量。

优势
  • 拉曼光谱范围更宽
  • 产品生产工艺保证一致性
  • 四种波长可供选择,适合大多数拉曼测量应用
  • 优化设计,有效滤除瑞利信号,截止深度>OD6
规格
中心波长(nm) 532 785 830 1064
光谱范围 176-4000 176-3500 176-2800 200-3000
工作方式 光纤输出
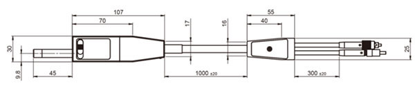
探头尺寸(mm) 107x30x13
截止深度 OD6
探头工作距离(mm) 7.5
发射端 芯径105um, NA0.22 光纤接口 FC/PC 或SMA905
接收端 芯径200um, NA0.22, 光纤接口SMA905
光纤长度(cm) (100+30)±0.2
工作温度(℃) 10-30
工作湿度 0-75% RH

尺寸图

侧视图

俯视图

  • 地址:苏州常熟经济开发区四海路11号
  • 电话:()0512-51910068
  • 传真:()0512-51910068
  • E-mail:18900616086@163.com