

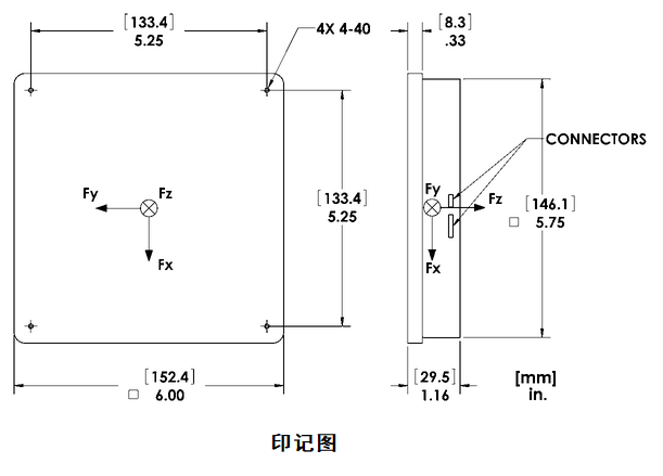
HE6X6 是一个紧凑型的测力台,用于量化非常低的负载。15.2 cm x 15.2 cm (6-inch-by-6-inch) 的测力台附带了 AMTI 的 NetForce 数据采集软件,是一种用于人类本体感觉测试和小动物的准确、经济的解决方案。
HE6X6微型生物力学三维测力台
HE6X6 是一个紧凑型的测力台,用于量化非常低的负载。15.2 cm x 15.2 cm (6-inch-by-6-inch) 的测力台附带了 AMTI 的 NetForce 数据采集软件,是一种用于人类本体感觉测试和小动物的准确、经济的解决方案。

HE6x6-1 技术参数:
|
尺寸(宽度x长度x高度) |
152 x 152 x 29 mm |
安装硬件 |
不是强制性的 |
|
重量 |
0.727 kg |
传感元件 |
霍尔效应 |
|
通道 |
Fx, Fy, Fz, Mx, My, Mz |
放大器 |
内置8 |
|
顶板材料 |
合成的 |
模拟输出 |
8通道 |
|
温度范围 |
-17.78 to 51.67°C |
数字输出 |
6通道 |
|
通道 |
Fx |
Fy |
Fz |
单位 |
Mx |
My |
Mz |
单位 |
|
容量 |
2.2 |
2.2 |
4.4 |
N |
0.226 |
0.226 |
0.113 |
N-m |
|
灵敏度 |
- |
- |
- |
μv/v-N |
- |
- |
- |
μv/v-N-m |
|
自然频率 |
30 |
30 |
42 |
Hz |
- |
- |
- |
Hz |
技术绘图:
