产品中心

ATTOCUBE纳米定位器ECSx3080/StSt/HV

503 阅读
产品介绍

ECSx3080在50毫米行程范围内提供高分辨率定位。其采用交叉滚子轴承实现高导引精度。

该定位器专为高真空环境设计,可承受低至1×10-8毫巴的真空压力。不锈钢材质坚固耐用且经济有效率,适用于纳米定位器主体制造,可满足包括高真空在内的严苛真空条件要求。

性能特点
  • ECSx3080 可实现亚纳米级的定位分辨率,满足纳米级精度的应用需求。
  • 采用十字交叉滚柱导轨结构,提供高刚性和高承载能力,同时实现高导引精度。该设计确保定位器在长行程范围内保持稳定运动,减少摩擦和磨损,延长使用寿命。
  • 不锈钢材质主体结构,坚固耐用,满足严苛真空条件要求。
  • 可与其他 Attocube 定位器或扫描仪(如 ANSxy100)组合,构建多轴扫描单元,满足复杂多维定位需求。
  • 满足不同精度要求的应用场景。闭环控制下,重复精度达 50 纳米,确保定位的一致性和可靠性。
技术参数

产地

德国

尺寸与规格

 

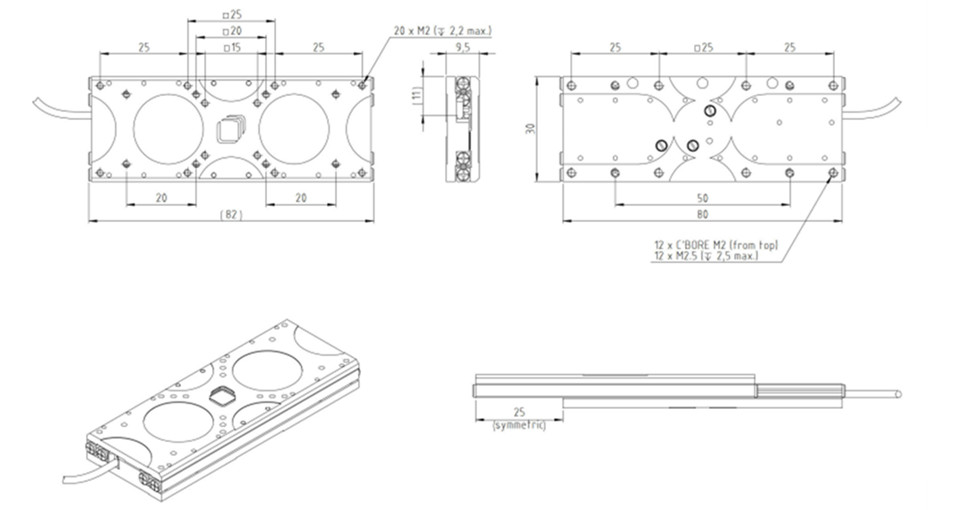
占地面积;高度

30 mm × 80 mm;9.5 mm

安装空间

max.30 mm × 131.6 mm;9.5 mm

重量(不锈钢版本)

147 g

高度

9.5 mm

电缆

50 cm 带连接器的电缆

材料

 

定位器主体

不锈钢

致动器

PZT陶瓷

连接线

铜芯

护套

 

RT环境

PTFE

HV/UHV环境

玻璃纤维

粗定位模式

 

行程范围(步进模式)

50毫米

驱动速度 @ 300 K

max.4.5毫米/秒

输入电压范围

0 - 45伏

精细定位模式

 

精细线性定位范围 @ 300 K

1.6 µm

精细定位分辨率

亚纳米级

直流输入电压范围

0 - 45 V

负载(常温条件下)

 

负载

max.2 kg

轴向动态力

max.1 N

通用规格

 

工作环境

高真空

 

产品尺寸

相关产品