ANSxy50高精度XY扫描仪专为在小空间需求下提供大面积二维扫描而设计,兼容所有ANP51系列定位器。该定位器适用于1K至373K温度范围,可在低至1×10-8毫巴(低温/真空/高压)的压力环境下工作。钛金属是低温纳米定位器的理想材料,因其质轻、无磁性,且热膨胀系数与压电元件及其他驱动组件匹配,可确保低温环境下的可靠性能。
|
产地 |
德国 |
|
尺寸与规格 |
|
|
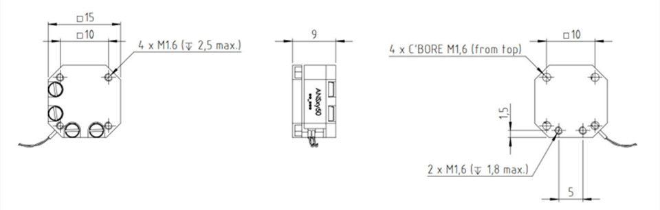
占地面积;高度 |
15毫米×15毫米;7毫米 |
|
安装空间 |
max.15毫米×15毫米;7毫米 |
|
重量 |
7克 |
|
材料 |
|
|
定位器主体 |
钛合金 |
|
致动器 |
压电陶瓷(PZT) |
|
连接线 |
绝缘双绞线,铜质 |
|
精细定位模式 |
|
|
精细线性定位范围 @ 300 K |
30 x 30 µm |
|
精细线性定位范围 @ 4 K |
15 x 15 µm |
|
精细定位分辨率 |
亚纳米级 |
|
典型驱动器电容精细 @ 300 K |
1.1 µF |
|
典型驱动器精细电容 @ 4 K |
0.2 µF |
|
输入直流电压范围 @ 300 K |
0 - 60 V |
|
输入直流电压范围 @ 4 K |
0 - 150 V |
|
* 扫描范围取决于环境 |
|
|
负载(常温条件下) |
|
|
负载 |
max.50 g |
|
通用规格 |
|
|
环境 |
/LT/HV |
