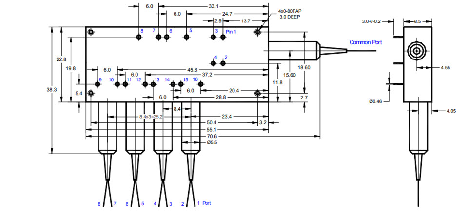
CL系列1x8光纤开关通过将输入光信号重定向到选定的输出光纤来连接光通道。该开关采用我们的非机械结构,并通过电控制信号激活。锁存操作可在驱动信号移除后保留选定的光路。全固态CL 1x8光纤开关具有低插入损耗、高消光比、高通道隔离度以及高的可靠性和重复性。其设计旨在满足严苛的切换要求,包括无故障连续运行、长寿命、在冲击/振动环境下工作、大温度变化以及快速响应时间。该开关还内置循环器和隔离器功能。此系列开关可选配电子驱动器。

|
参数 |
min |
典型值 |
max |
单位 |
|
工作波长 |
1520 |
1550 |
1580 |
nm |
|
|
1295 |
1310 |
1325 |
nm |
|
插入损耗 |
|
1.2 |
2.2 |
dB |
|
串扰 |
双向系列:35单向系列:40 |
双向系列:45单向系列:50 |
|
dB |
|
回波损耗 |
50 |
55 |
|
dB |
|
PDL(保偏系列开关除外) |
|
0.15 |
0.35 |
dB |
|
消光比(仅保偏系列开关) |
18 |
25 |
|
dB |
|
偏振模式色散(仅单模光纤系列) |
|
|
0.2 |
ps |
|
光开关速度 (上升/下降) |
5 |
|
10 |
μs |
|
重复率 |
|
2K |
|
Hz |
|
耐久性 |
10¹⁵ |
|
|
次循环 |
|
光功率处理能力 |
|
200 |
300 |
mW |
|
工作温度 |
-5 |
|
70 |
°C |
|
存储温度 |
-40 |
|
85 |
°C |
|
光纤类型 |
SMF - 28、Panda保偏光纤或等效光纤 |
|||
|
重量 |
59 |
g |
||

光信号路由
网络保护
突发交换
可配置分插
信号监测
仪器仪表