QLight SAX20r、SAO20r、SAC20r 是半导体光放大器 (SOA),适用于扫描光源和 ASE 光源中的增益元件。它们应用广泛,包括波光学传感以及测试和测量。它们基于AEON专有的 QLight 技术平台,用于制造先进的分立光子器件。
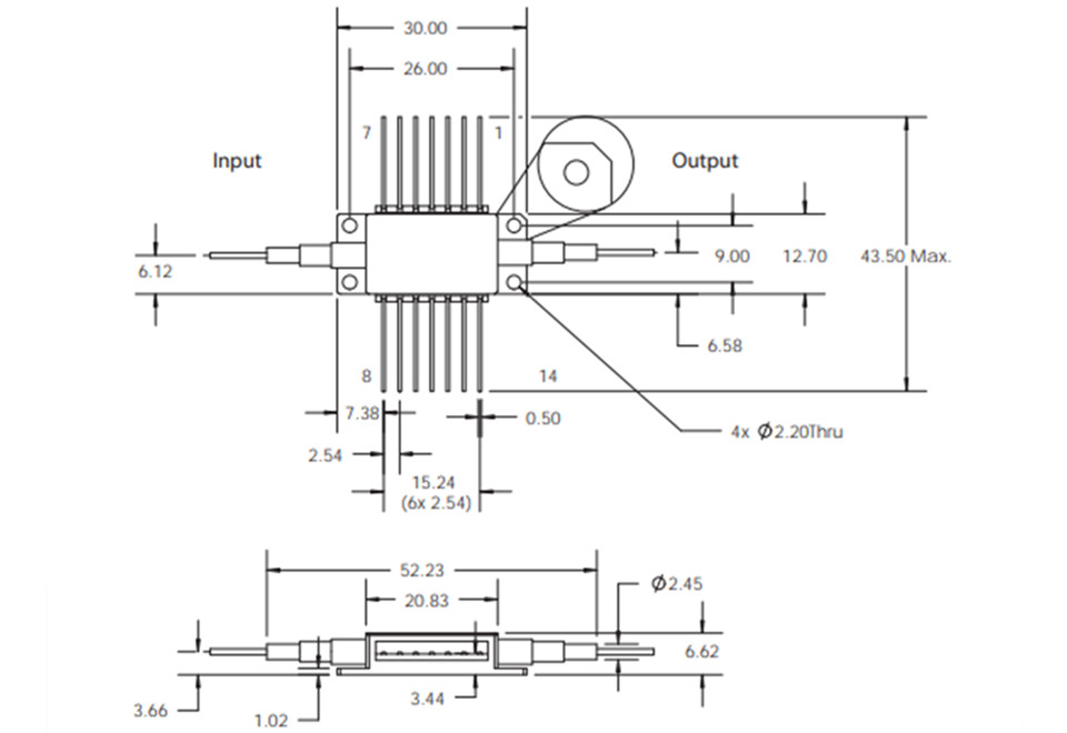
放大器采用符合 MSA 标准的 14 引脚黄铜封装,基于 Aeon 标准封装平台。采用激光焊接、密封、无有机物封装,可确保高度可靠的运行。该封装集成了热敏电阻和热电冷却器,可使 SOA 在整个工作温度范围内稳定工作。Aeon 提供各种 SOA,支持的波长范围从 1000nm 到 1600nm,增益选项从 5 到 30 dB 不等,我们还可以优化参数,以满足您的特定应用需求。
产地:美国
工作波长:1450...1600 nm
峰值增益:min.19 dB
增益纹波:max.2 dB
偏振相关增益:max.2 dB
饱和输出功率:min.7 dBm
正向电压:2 V
工作偏置电流:300 mA
热敏电阻电阻:10 kΩ
总功耗:max.4 W
工作温度:0...70 ˚C
存储温度:-40...85 ˚C
工作偏置电流:max.450 mA
光放大器反向偏置:max.2 V
热敏电阻电流:max.5 mA
TEC 电流:max.1.8 A
TEC 电压:max.3.4 V
