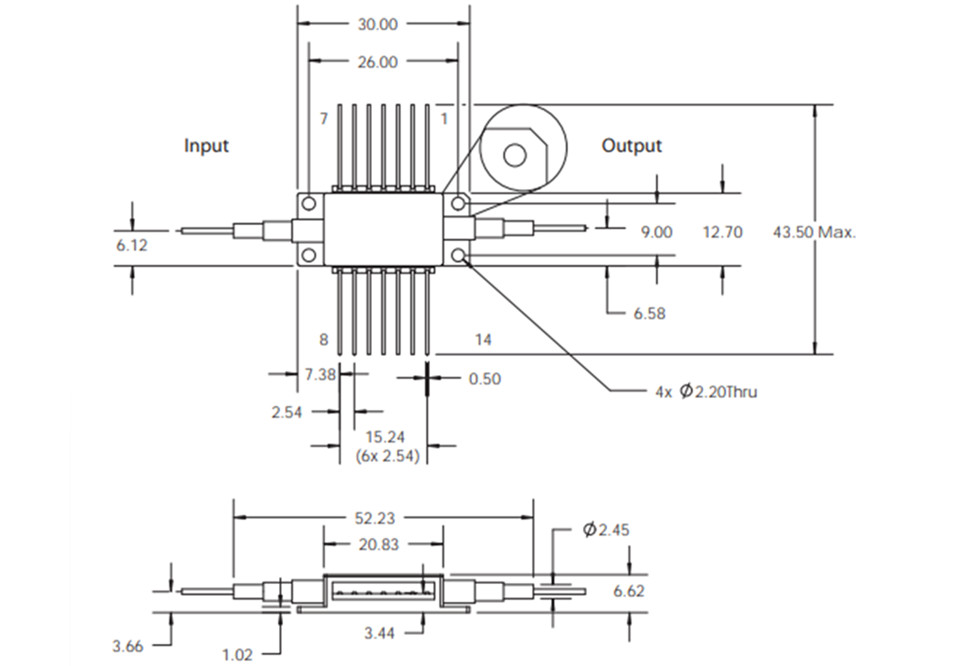
QLight SAO11b和SAC11b是半导体光放大器(SOA),可用作增压放大器,能显著提高输出功率,适用于固定和可调的ITU发射机和转发器。这些放大器基于AEON专有的 QLight 技术平台,用于制造先进的分立光子器件。放大器采用符合 MSA 标准的 14 引脚 Buttery 封装,基于永旺标准封装平台。放大器采用符合 MSA 标准的 14 引脚黄铜封装,基于 Aeon 标准封装平台。激光焊接、密封、无有机物封装的使用确保了高度可靠的运行。该封装集成了一个热敏电阻和一个热电冷却器,使 SOA 能够在整个工作温度范围内稳定工作。Aeon 提供各种 SOA,支持的波长范围从 1000 nm 到 1600nm,增益范围从 5 dB 到 30 dB,我们还可以优化参数,以满足您的特殊应用需求。
产地:美国
工作波长:1290...1330 nm
峰值增益:min.2.9 dB
增益纹波:0.2 dB
饱和输出功率:min.11 dBm
正向电压:2 V
工作偏置电流:300 mA
热敏电阻电阻:10 kΩ
总功耗:max.4 W
工作温度:0...70 ˚C
存储温度:-40...85 ˚C
工作偏置电流:max.450 mA
光放大器反向偏置:max.2 V
热敏电阻电流:max.5 mA
TEC 电流:max.1.8 A
TEC 电压:max.3.4 V
