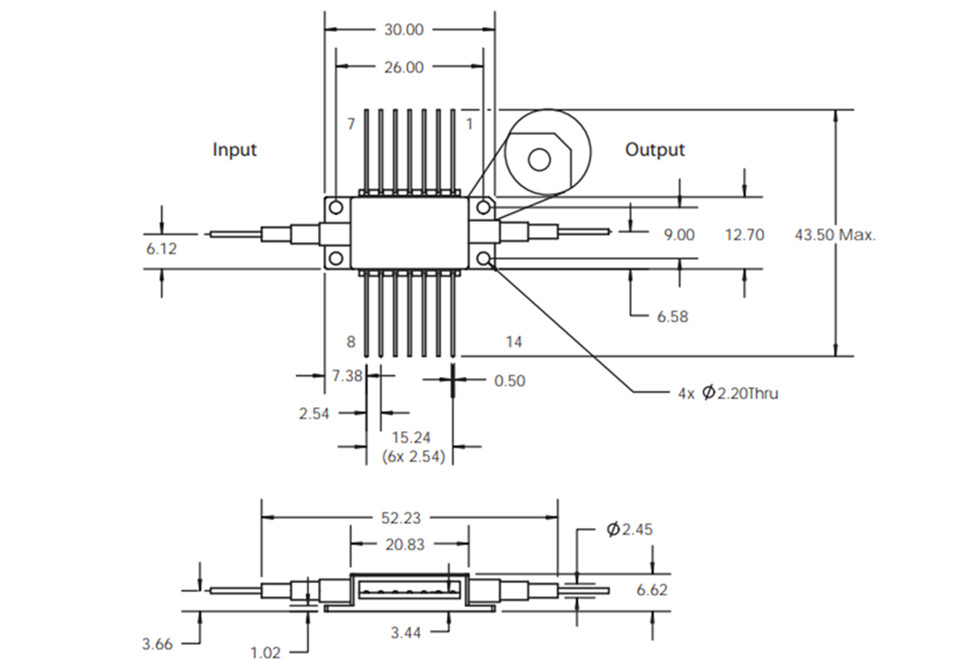
QLight O-Amp 是一款半导体光放大器 (SOA),专为通信、光纤传感以及测试和测量应用而设计。O-Amp 采用符合 MSA 标准的 14 引脚蝶形封装,以Aeon标准封装平台为基础。O-Amp 采用符合 MSA 标准的 14 引脚蝶形封装,以永旺标准封装平台为基础。采用激光焊接、密封、无有机物的封装可确保高度可靠的运行。该封装集成了一个热敏电阻和一个热电冷却器,使 SOA 能够在整个工作温度范围内稳定工作。该产品有 OL、OM 和OH 三种型号,根据增益水平的不同而有所区别。Aeon QLight O 放大器在猝发模式流量放大和用于广义可调谐激光源时具有高的性能。
产地:美国
工作波长 1270...1350 nm
峰值增益:30 dB
峰值增益 WL:1310 nm
宽带增益平坦度:3.0 dB
增益纹波:0.2 dB
噪声系数:7.0 dB
偏振相关增益:1.0 dB
饱和输出功率:10 dBm
饱和输出功率:13 dBm
正向电压:2 V
工作偏置电流:420 mA
热敏电阻电阻:10 KΩ
总功耗:max.4 W
工作温度:0...70℃
存储温度:-40...85℃
工作偏置电流:max.300 mA
光放大器反向偏置:2 V
热敏电阻电流:5 mA
TEC 电流:1.8 A
TEC 电压:3.4 V

发射放大器
接收器前置放大器
在线放大器
损耗补偿
扫频信号源增益介质