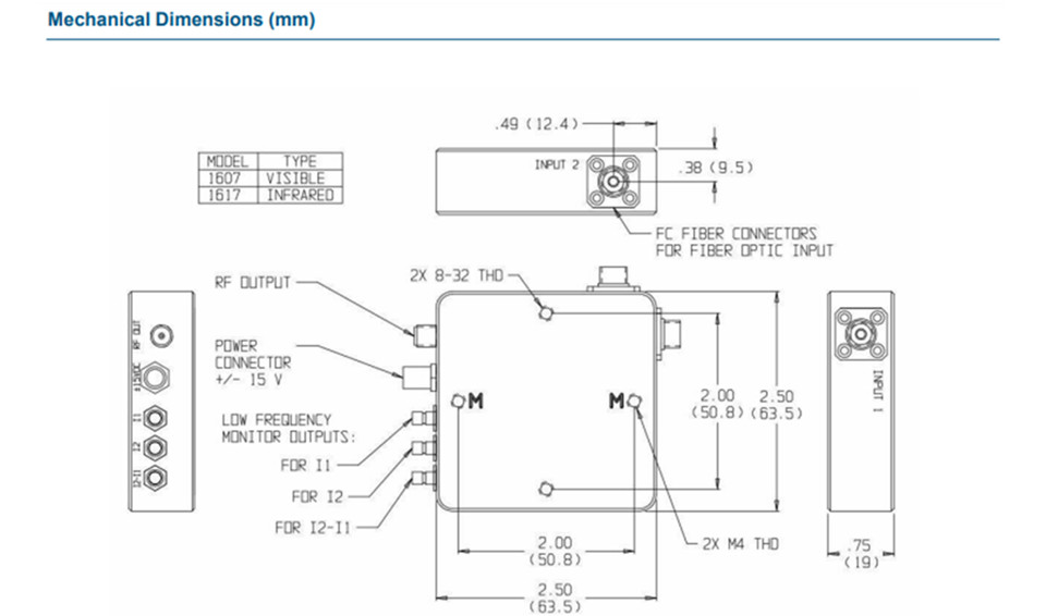
BREV 系列光纤接收器能消除普通光噪声,为我们提供了一种以低本底噪声检测输入光信号的实用方法。该接收器集成了两个具有匹配响应度的 InGaAs 光电二极管,以确保较高的共模抑制比,还集成了一个射频放大器,可产生与输入光信号成比例的输出电压。它有两个光输入端和一个射频输出端。除射频输出外,平衡光接收器还有三个低频监控输出(I1、I2 和 I2 - I1),可用于将光线对准光电二极管并执行低频诊断。监控输出采用 SMB 连接器,光接收器随附一条 SMB 转 BNC 电缆。随附的壁插式直流电源通过侧面的微型连接器向平衡光接收器供电。该设备采用金属屏蔽包装,以消除噪声拾取。BREV 具有宽工作温度范围和好的EMI 特性,可在恶劣的环境中工作。

产地:美国
波长:900...1650 nm
探测器响应度(1550 nm时的峰值):0.9 A/W
输入光功率:max.0.3...10 mW
噪声:10 nW
带宽 (-3dB):0.5...800 MHz
偏振相关损耗:0.5 dB
上升/下降时间:1 ns
共模抑制:min.30 dB
输出电压噪声:4 mVrms
射频功率:max.11 dBm
输出阻抗:50 Ω
射频功率:max.3.5 W
射频输出接口:SMA
电源电流(12VDC):5...40 mA
工作温度:-35...65 °C
存储温度:-45...85 °C

激光雷达
OCT
外差探测
超低信号探测