在智能交通系统 (ITS) 等成像应用中,须使用具有成像技术的高帧频相机。Lt-C/M1610 的 96 帧/秒帧频允许在各种照明环境下对高速交通进行成像。该摄像机的动态范围为 73 dB,全井容量高达 100Ke,像素尺寸为 9 µm,能够在弱光环境下捕捉到令人印象深刻的细节。这意味着当夕阳西下时,Lt-C/M1610 仍能准确捕捉车牌字符等关键信息。
彩色或单色索尼 Pregius IMX432 全局快门 CMOS 传感器,1.1 英寸光学格式
170 万像素摄像头,全分辨率(1608 x 1104)下帧速率高达 96 帧/秒
高速 USB 3.1 Gen 1 接口,可快速传输图像并简化连接功能
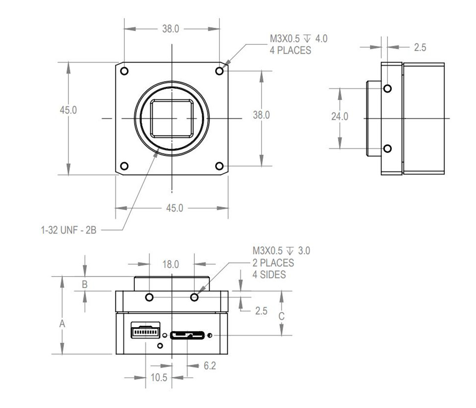
外形小巧,尺寸为 45 毫米 x 45 毫米 x 36.1 毫米
侧面的锁定工业微型 USB 用于供电和控制
高转换增益 (HCG) 使摄像头能够在低照度环境下捕捉更清晰的图像,并降低读取噪声
感兴趣区域 (ROI) 选项可提供更高的帧速率
可选择 8 位或 12 位像素数据
支持多种数据传输率,每种传输率都经过优化,以实现低噪声性能

Lt-M1610 - 170 万像素黑白 USB3 照相机
Lt-C1610 - 170 万像素彩色 USB3 相机
La303ML - USB 3.1 电缆 A 型至 Micro-B 型锁定公型(3 米/9.75 英尺)
符合 USB3 Vision 标准的 SDK
Teledyne Lumenera 相机 SDK(Windows 和 LINUX)
产地:加拿大
图像传感器:索尼 IMX432 CMOS,彩色或单色可选
有效像素:1608 x 1104 像素(170 万像素)
帧频:96 帧/秒
动态范围:73 dB
自动曝光:手动和自动控制
白平衡:手动和自动控制
尺寸:45 x 45 x 36.1 mm
重量:88 g
工作温度:0 至 50 ℃
接口连接器:USB 3.1 Gen 1,锁定连接器
镜头卡口:C 卡口和 CS 卡口

航空成像、农业、便携式/OEM 设备、户外成像、智能交通系统 (ITS)、生命科学、工业检测解决方案