BlueBird SDI 适配器专为 3G-SDI、HD-SDI 和 HD-VLC 视频流的格式转换而设计,可用作 USB/HDMI/SDI 外置转换器和帧采集器,用于视频流传输和视频采集。
视频输入信号可通过 BNC 连接器或以太网 (RJ45) 连接器输入。该适配器支持三种同步视频输出格式:3G-SDI/HD-SDI 或 HD-VLC(通过 BNC)、HDMI(通过标准 HDMI 连接器)以及高速 USB/USB 视频类 (UVC) v1.1 输出(通过 USB Type-C 线缆)。通过 RS-485 连接的远程摄像机可通过 USB Type-C 端口(使用 Harrier USB SDK 或 UVC 应用程序)或独立的 USB-UART(USB Micro-B 连接器)接口进行控制。RJ45 连接器包含 RS-485 摄像机控制信号、摄像机电源和 HD-VLC 压缩视频输入(通过双绞线)。 BlueBird SDI 适配器也是升级旧系统的快速且经济有效率的解决方案。
|
产地 |
英国 |
|
电源选项 |
系统电源接口 |
|
|
USB 3 Type-C 接口 |
|
|
USB 2 Micro-B 接口 |
|
版本 |
板载 |
|
模式开关和 LED 指示灯规格 |
|
|
模式拨码开关 (SW1) |
本机配备一个四位拨码开关,用于选择各种模式。 |
|
状态指示灯 (LED1、LED2、LED3、LED4) |
本机配备四个 LED 指示灯,用于显示设备状态。 |
|
物理和环境参数 |
|
|
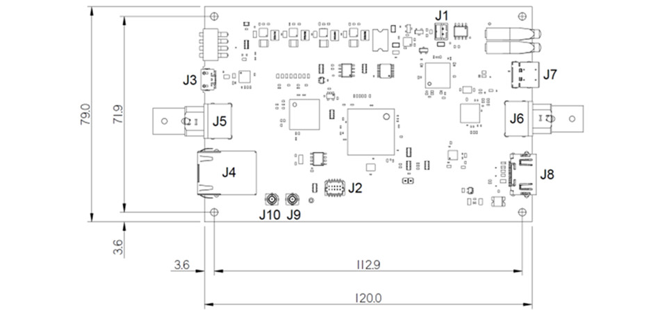
尺寸 |
|
|
电路板 |
120mm x 79mm(不含连接器) |
|
外壳 |
127mm x 86mm x 31mm(不含连接器) |
|
重量 |
|
|
电路板 |
62g |
|
带外壳 |
248g |
|
电源 |
USB接口供电5V,或J1接口供电5-16V。 |
|
功耗 |
|
|
J7(USB 3 Type-C)或J1(系统电源接口) |
max.3W |
|
J3(USB 2 Micro-B) |
max.2.5W |
|
存储温度 |
-20°C 至 +70°C。 |
|
工作温度 |
0°C 至 +60°C(环境温度) |
|
相对湿度 |
10% 至 90%(无冷凝)(工作和存储) |
