S 卡口镜头 Lensagon B10M3218S123C 适用于当前max.1000 万像素、1/2.3 英寸图像格式的传感器。它的特点是具有特别高的感光度。
|
产地 |
德国 |
|
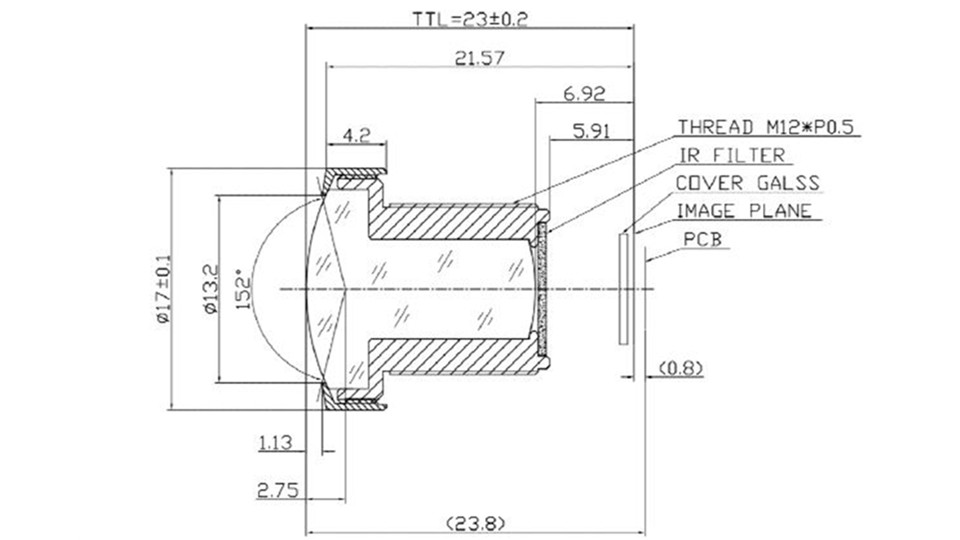
卡口 |
S 型 |
|
传感器尺寸 |
1/2.3 英寸 |
|
焦距 |
3.20 mm |
|
光圈 |
f/1.80 |
|
后焦距 |
5.91 mm |
|
视角 |
水平 152° / 水平 117° / 垂直 86° |
|
像素 |
max.1000 万像素 |
|
红外截止滤光片 |
有 |
|
像场直径 |
8.20 mm |
|
主光线角度 |
17.20° |
|
滤光片 |
640 nm |
|
典型值 |
标准 |
