ARTCAM-992SWIR近红外相机,该相机采用 InGaAs(砷化镓铟)传感器,带 USB 3.0 输出。如果在标准笔记本电脑或台式电脑上使用摄像机,请使用随附的 USB 3.0 电缆将摄像机连接到电脑。相机由 USB 总线供电。
产地:日本
图像传感器:SONY InGaAs 传感器 IMX992-AABJ-C
像素数:524万
有效像素:2592(宽) × 2056(高)
输出像素:2560(宽) × 2048(高)
像素尺寸:3.45[μm] × 3.45[μm]
有效图像区域:8.8[mm] × 7.1[mm]
1/1.4 类型
检测频带:400 - 1700nm(总体)
快门方式:全局快门
信噪比(参考):待定
输出接口:USB3.0 批量传输
A/D 分辨率:12bit
帧频:
67fps (8bit 传输)
33.5fps (12bit 传输)
曝光时间:
13.04 µs - 2 秒(8 位传输)
26.08 微秒 - 2 秒(12 位传输)
增益(模拟/数字):0 至 420 * 默认值为 0(0 至 42 dB * 默认值为 0 dB)
ROI:
子采样 (1/2)
开/关 * 默认值为关
ROI:仅垂直(软件支持水平)
子采样:支持 1/2
分档:支持 2 x 2
触发拍摄:开/关 *默认为关闭
镜像反转:开/关 *默认为关闭
水平和垂直:支持
操作模式:内部同步/外部触发-同步(可选)
镜头卡口:C 卡口
外部触发输入(可选):SMA 母接头(当选择了选件时)
附带 BNC 转换适配器
电源:DC5V USB BUS 电源
功耗:约 4.5W 或以下(平均电流消耗:约 0.85A)
工作温度/湿度:10 至 35°C/10 至 80%(无冷凝)
存储温度/湿度:0 至 60°C/10 至 95%(无冷凝)
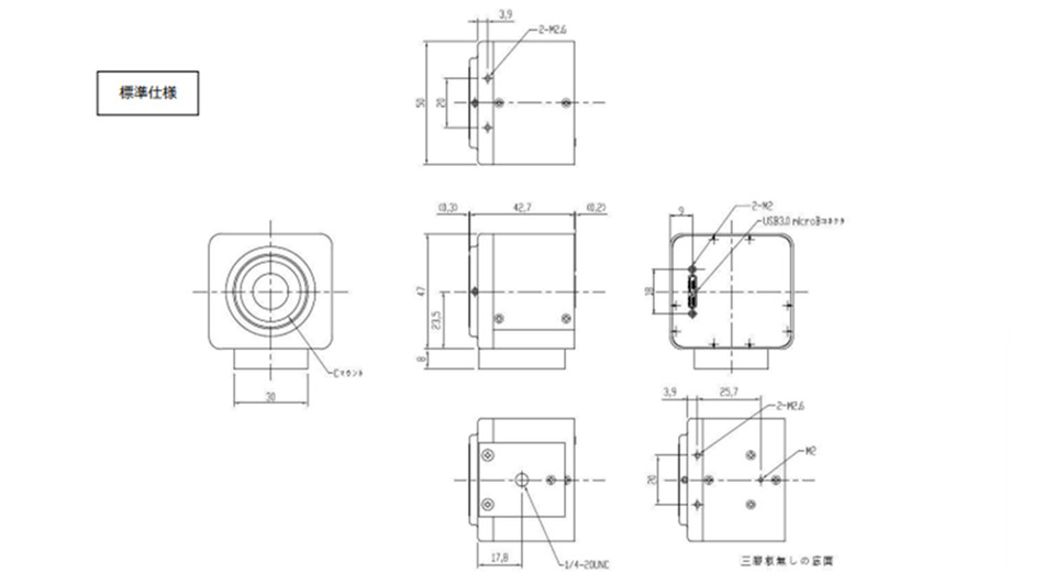
外部尺寸
992SWIR:50.0(W) × 47.0(H) × 42.7(D)mm
992SWIR-TRG-FAN:50.0(W) × 47.0(H) × 74.5(D)mm
*不包括镜头、三脚架板和突出部件。
重量
992SWIR:约 120 克
992SWIR-TRG-FAN:约 150 克
