ARTCAM-992SWIR-TEC,采用 InGaAs(砷化镓铟)传感器的近红外相机,带 USB3.0 接口。配置A 型-Micro B 型连接器电缆,长约 3 米,交流适配器(DC12V)以及专用查看器软件/设备驱动程序 CD。ARTCAM-992SWIR-TEC 兼容模拟和数字增益。软件上的增益设置值范围为 0 ~ 420,增益会相应地从 0.0dB ~ 42.0dB 变化。
USB3.0:本摄像机采用 USB3.0 接口,数据可直接传输到 PC。无需采集卡。
近红外镜头(C 安装镜头)
产地:日本
传感器类型:5.24MP I n G a A s 图像传感器
传感器型号:SONY IMX992-AABA-C
图像传感器冷却功能:电子冷却 (≤15°C)
像素数:524万
实际像素阵列:2592(W)×2056(H)
有效像素阵列:2560(W)×2048(H)
像素间距:3.45[μm]×3. 45[μm]
图像尺寸:8.8[mm]×7.1[mm]
光谱范围:400nm~1700nm
快门类型:全局快门
信噪比:待定
接口:USB3.0 批量传输
A/D 分辨率:12bit
帧频:
67fps (8bit 传输)
33.5fps (12bit 传输)
快门速度:
13.04μsec. ~ 2 秒 (8比特传输)
26.08μsec. ~ 2 秒(12 位传输 (12位传输)
快门速度:
13.04μsec. ~ 2 秒 (8 位传输)
26.08μsec. ~ 2 秒(12 位传输 (12bit 传输)
增益(模拟/数字):
0~420 ※默认值:0
(0~42[dB] ※默认值:0[dB])
同步系统:内部同步/外部触发器同步
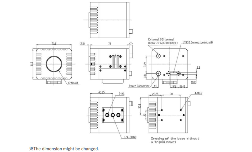
镜头卡口:C 卡口
外部:I/O 端子 HR10A-7R-6S(73) (HIROSE)
电源:DC12V 外部输入
功耗:约 12W 以下
工作温度/湿度:10~40°C / 10~80%(无冷凝)
存储温度/湿度:0~60°C / 10~95%(非冷凝)
外部尺寸:71.6(宽)×61.5(高)×78.0(深)毫米
※不包括镜头、三脚架支架和电缆
重量:约 460 克
