COL-B model是 Thunder Optics 的入门级准直透镜,专为紫外/可见光/近红外 (190-2600 nm) 应用而设计,配备高品质光学元件和可调焦点。为了提高光收集和传输效率,我们建议使用 SM1-SMA 准直器。
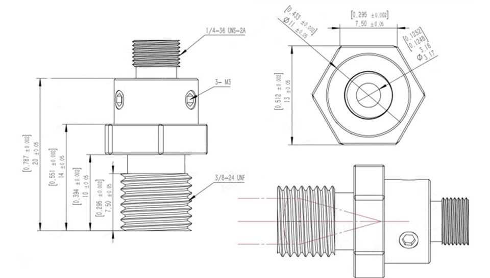
透镜位置可通过前后移动镜筒进行调整,镜筒由三个六角螺钉固定。使用前,用户应确认准直器已根据目标波长进行设置。虽然准直器出厂时已预先调整好,但务必确保设置符合具体要求。
产地:法国
光纤连接器:SMA905,UNS 1/4″
外螺纹:3/8-24
透镜直径:6.0 mm
透镜焦距:10.0 mm
透镜材质:JGS1石英透镜
波长范围:190-2600 nm
工作温度:-40~200 ℃
外壳材质:铝,黑色处理
预装镜头:平凸透镜,无
标准镜头:10 毫米
重量:10 克
尺寸:1.3 × 1.3 × 2.5 厘米
