ANDORsCMOS 相机Marana-X

6019 阅读
产品介绍

Marana-X 是 Andor 为直接 EUV 和软 X 射线应用量身定制的开创性 sCMOS 平台。手工打造,提供好的性能和多功能性 Marana-X 在不到 50 毫秒的时间内读取 4.2 兆像素高分辨率阵列,同时保持低的读取噪声;比类似分辨率的 CCD 探测器快数百倍。

与现有的 CCD 相比,新型 Marana-X sCMOS 在 EUV-1 keV 能量范围内具有更高的量子效率。 Marana-X 、的量子效率与其CMOS 技术相得益彰,可通过 74 fps 全帧快速实现实验时间的更小化和更大的数据吞吐量。

性能特点
  • 高达 99% 的 QE 和低噪声:适合光不足测量的最大信噪比。 更快地实现高对比度。
  • 真空冷却至 -45℃:非常微弱的信号需要更低的本底噪声和更长的曝光时间:不要受到相机热噪声的限制
  • 2 百万像素:高像素分辨率,在扩展视野范围内保持图像清晰度。
  • 未镀膜的背照式 sCMOS:Marana-X 采用了无涂层背照式 sCMOS 传感器,可实现EUV - 软 X 射线检测。
  • 扩展动态范围 (EDR) 模式:在整个动态范围内“一次定量”,在同一图像中捕获高强度和低强度图像。
  • 7% 线性度:在整个信号范围内的定量精度。
  • 标配风扇和液体冷却:液体冷却可实现更大灵敏度
选型指南

可选功能与配件

技术参数

传感器类型:背照式科学 CMOS

阵列尺寸:2048 (W) x 2048 (H)

4.2 百万像素

像素尺寸:6.5 x 6.5 μm

图像区:13.3 毫米 x 13.3 毫米

(对角线 18.8 毫米)

读出模式:滚动快门

像素读出率: 310 MHz(快速高动态范围模式,16 位)

180 MHz(低噪声模式,12 位)

 量子效率:高达 99%

读取噪声 (e-) 中值:1.6 e-(快速高动态范围模式,16 位)

1.2 电子-(低噪声模式,12 位)

传感器工作温度

风冷:-25°C(max.30°C 环境温度)

水冷/液冷:-45°C(@16°C 水)

暗电流

风冷 (@-25°C) :0.15 e-/像素

水冷/液冷 (@ -45°C) :0.10 e-/像素

有效区域像素井深度:

55 000 e-(快速高动态范围模式,16 位)

1800 e-(低噪声模式,12 位,位深度受限)

动态范围:34 000:1(快速高动态范围模式,16 位)

数据范围:16 位(快速高动态范围模式)

12 位(低噪声模式)

线性:> 99.7%

PRNU:< 0.5% (@半光范围)

感兴趣区域 (ROI) :用户可定义,1 像素粒度,

Min.尺寸 9(宽)x 1(高)

预定义 ROI:1608 x 1608、1200 x 1200、1024×1024、512×512、128×128

像素合并(在 FPGA 上):2 x 2、3 x 3、4 x 4、8 x 8(也提供用户可定义的合并)

真空兼容性:>10 mbar

I/O

O:Fire Row 1, Fire Row n, Fire All, Fire Any, Arm

I:外部

触发模式:内部、外部、外部启动、外部曝光、软件

软件曝光事件:开始曝光 - 结束曝光(第 1 行),开始曝光 - 结束曝光(第 n 行)

图像时间戳精度: 25 ns

PC 接口:USB 3.0和 CoaXPress

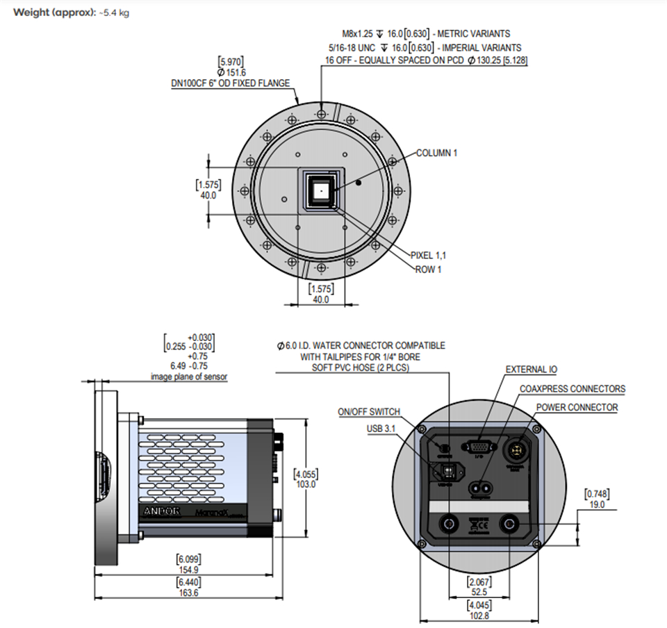
安装法兰:DN100CF (ConFlat) 6” O.D.固定法兰提供 M8 或 5/16 UNC 螺纹孔

产品尺寸

产品应用

原位射线照相

断层扫描

光谱学

高光谱成像

HHG 源表征

EUV 投影仪

EUV 光刻

相关产品