产品中心

WOORIRO负反馈雪崩二极管TO-8

1103 阅读
产品介绍

InGaAs NFAD(负反馈雪崩二极管)用于光子计数,例如超长距离光探测和测距(LiDAR)和激光测距仪(LRF),自由空间量子通信,任何需要微小光子计数的应用,例如气体传感器和生物传感器等。它基于低噪声和高速光电检测系统的理论,使用具有电流放大功能的光反馈。

性能特点
  • 自由运行模式操作
  • 内置淬灭电阻(360 kΩ/ 510 kΩ/ 1MΩ)
  • 针对 1000 nm 至 1600 nm 波长进行了优化
  • 自由空间
  • 内置三级冷却系统(TEC)
技术参数

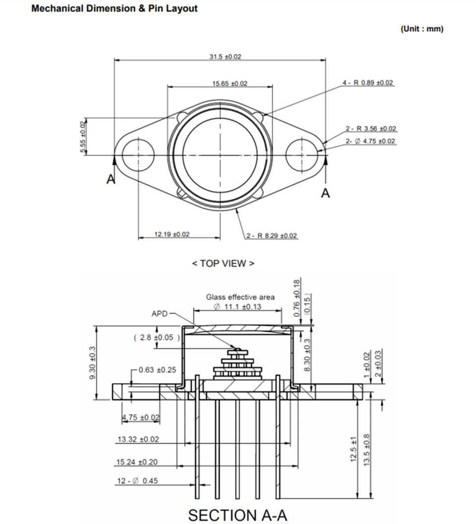
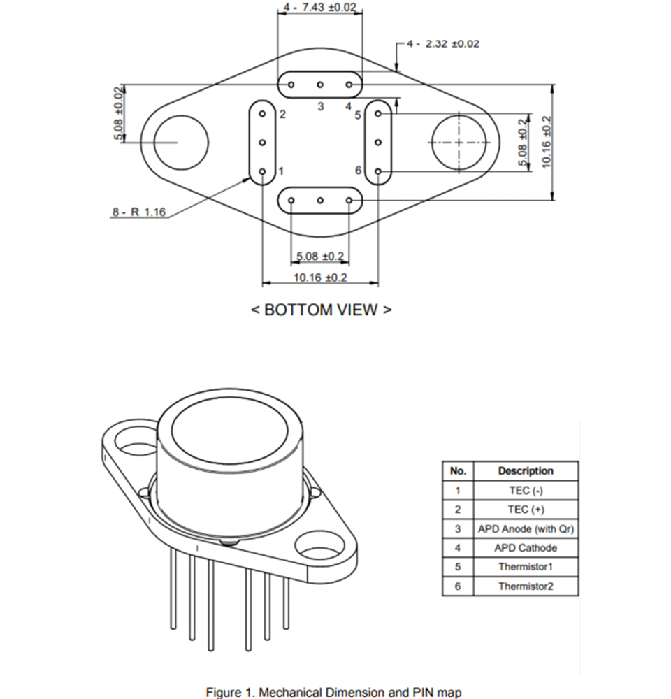
产品尺寸

产品应用

气体泄漏传感器

量子密码学(QKD)

光探测与测距(LiDAR)

自由空间光通信

量子物理基础研究

相关产品