JENCAM环形灯RL-70是一款由德国JENCAM品牌生产,具备多种实用功能与可靠性能,适用于机器视觉、工业检测等场景。
发光二极管(LED)环形灯
红色、红外线、白色
注:环形照明必须热连接到散热器以散热。为此,请使用背面的 M4 螺纹孔。当外壳温度达到 65°C 时,环形灯会自动关闭。 冷却后自动开启。
物体照明是成像技术中的一个复杂问题。考虑到各种选项和要求,为特定应用选择合适的照明很重要。JenCam 提供各种不同的照明 - LED 线条灯、LED 平面灯、LED 环形灯、同轴 LED 灯、LED 聚光灯和 DOM 灯。
我们能够设计和构建完全定制的照明解决方案,这依赖于 PCB、照明镜头的内部设计以及所需电源和通信电缆的组装。


|
产地 |
德国 |
|
照明类型 |
发光二极管(LED)环形灯,提供定向光或漫射光。 |
|
光场范围 |
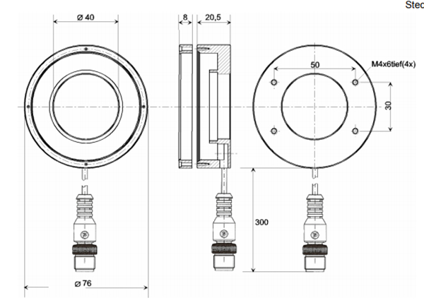
外光场直径为70mm,内光场直径为40mm。 |
|
镜头设计 |
配备可拆卸的玻璃盖镜头,方便用户根据实际需求进行更换或清洁。 |
|
外壳材质 |
采用黑色铝制外壳,具有良好的散热性能和耐用性。 |
|
连接方式 |
通过4个M4螺钉进行固定连接,确保设备在使用过程中的稳定性。 |
|
散热设计 |
无风扇设计,减少噪音和故障点;环形照明须热连接到散热器以散热,为此需使用背面的M4螺纹孔;当外壳温度达到65°C时,环形灯会自动关闭以防止过热损坏;冷却后自动开启,恢复工作状态。 |
|
LED类型与波长 |
提供红色(617nm)、红外线(875nm)和白色三种LED选项,满足不同光谱需求。 |
|
工作电压 |
24V工作电压,适用于大多数工业和机器视觉应用。 |
|
电缆连接 |
配备黑色300mm电缆,方便用户进行设备连接和布局。 |

JENCAM环形灯RL-70适用于机器视觉、工业检测、自动化生产线等领域,为这些场景提供稳定、均匀的照明解决方案。其定向光或漫射光设计能够满足不同检测需求,如表面缺陷检测、尺寸测量等。