产品分类

品牌标签

ARTRAY近红外相机ARTCAM-032TNIR

1973 阅读
产品介绍

ARTCAM-TNIR 系列包括 2 种近红外相机,分别采用 640 x 512 / 320 x 256 InGaAs(砷化镓铟)传感器。这些相机具有从 900 到 1700 nm的高灵敏度光谱响应。ARTCAM-TNIR 系列采用 USB3.0 接口,因此无需采集板即可将图像数据直接传输到 PC。此外,该相机还配备了板载存储器,可避免数据在传输过程中丢失。ARTCAM-032TNIR 采用 640 x 512 像素的高分辨率传感器,成像速度可达 62.28 帧/秒。ARTCAM-009TNIR 采用 320 x 256 像素传感器,成像速度可达 228.1 帧/秒。该款相机采用 USB3.0 接口,数据可直接传输到电脑,无需采集卡。对于希望创建自己的图像处理软件或将我们的相机与其他应用软件结合使用的客户,我们可根据要求提供 SDK。

性能特点

高灵敏度近红外检测

高分辨率、高帧频

USB3.0 接口

InGaAs 相机查看器软件

软件开发工具包

NTSC / PAL

选型指南

0.32 百万像素 ARTCAM-032TNIR,成像速度可达 62.28 帧/秒。

0.08 百万像素 ARTCAM-009TNIR,成像速度可达 228.1 帧/秒。

产品结构与细节

1) 相机

2) USB3.0 电缆 A 型-MicroB 连接器电缆,长约 3 米

3)AC 适配器(DC12V)

4) 介绍手册

5) 专用查看器软件/设备驱动光盘

6) 软件开发包 ARTCCM-SDK

可选功能与配件

1) 近红外镜头(C 安装镜头)

技术参数

产地:日本

传感器类型:砷化镓图像传感器

有效像素数(高×宽):640 × 512

分辨率(高×宽):640 × 512

主动成像器(高×宽):12.8 × 10.24 mm

尺寸:1 英寸

扫描模式:逐行扫描

像素尺寸(高×宽):20 × 20 μm

检测波长:900 至 1700 nm

可操作性:≧ 99.63 %

快门类型:滚动快门/全局快门(出货前可更改,标准-全局快门)

帧频:62.28 fps

快门速度:1/1000000 至 1 秒

检测率:0.8 A/W

饱和度:1100Ke-

A/D 分辨率:14 位

接口:USB3.0 批量传输/ NTSC 视频输出

同步系统:内部同步/外部触发同步

镜头安装:C 安装

外部 I/O 端子:HR10A-7R-6S(73) (HIROSE)

电源:DC 12 V

功耗:约 10 W 以下

工作温度/湿度:0 至 35 ℃ / 10 至 80 %(无冷凝)

存储温度/湿度:0 至 60 ℃ / 10 至 95 %(无冷凝)

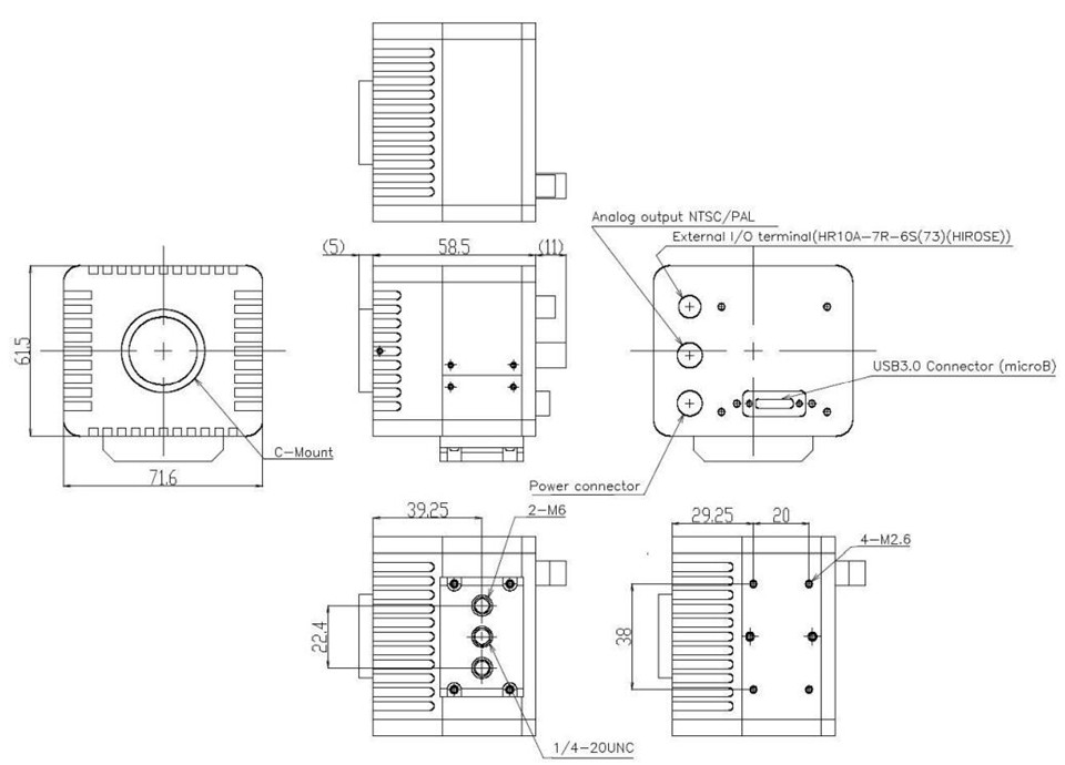
外部尺寸(W×H×D):71.6×61.5×58.5 mm;不包括镜头、三脚架支架和电缆 *不包括镜头、三脚架支架和电缆

重量:约 302 克

产品尺寸

产品应用

生态保护和科学研究、住宅、商业场所、仓库等、‌农业管理、工业检测、材料科学、天文学观测、气候变化研究等领域

相关产品