ARTCAM-0016TNIR-TEC 采用 128x128 InGaAs(砷化镓铟)传感器。该相机具有从 950 nm 到 1700 nm 的高灵敏度光谱响应。ARTCAM-0016TNIR-TEC 采用 USB2.0 接口,因此无需采集卡即可直接将图像数据传输到 PC。ARTCAM-0016TNIR-TEC 采用 128x128 像素传感器,能以 258 帧/秒的速度高速成像。ARTCAM-0016TNIR-TEC 具有热电冷却功能,可提高数据可靠性。该热像仪采用 USB2.0 接口,数据可直接传输到电脑,无需采集卡。对于希望创建自己的图像处理软件或将我们的相机与其他应用程序结合使用的客户,我们可根据要求提供 SDK。
高灵敏度近红外检测
高分辨率、高帧频
TEC(热电冷却)功能
USB2.0 接口
InGaAs 相机查看器软件
软件开发工具包
1) 相机
2) USB 电缆 A-B 型连接器电缆,长约 3 米
3) 交流适配器(DC12V)
4) 介绍手册
5) 查看器软件/设备驱动光盘
6) 软件开发包 ARTCCM-SDK
1) 近红外镜头(C 安装镜头)
2) 带 USB2.0 中继器的 5 米延长电缆
产地:日本
传感器类型:砷化镓图像传感器
传感器型号:G12242-0707W
有效像素数(高×宽):128 × 128
像素尺寸(高×宽):20 × 20 μm
有源成像器尺寸(高×宽):2.56 × 2.56 毫米
检测波长:950 至 1700 nm
快门类型:全局快门
扫描模式:渐进扫描
可操作性:≥ 99 %
接口:USB 2.0 批量传输
A/D 分辨率:14 位
帧速率:258 fps
快门速度:1/1000000 至 0.013107 秒
检测率:1 μV/e-
满井容量:1000Ke-
同步系统:内部同步
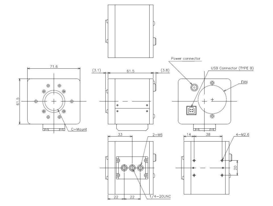
镜头安装:C 安装
电源:DC 12 V
功耗:约 20 W 以下
工作温度/湿度:0 至 35 ℃ / 10 至 80 %(无冷凝)
存储温度/湿度:0 至 60 ℃ / 10 至 95 %(无冷凝)
外部尺寸(W×H×D):71.5×61.5×61.5 mm;不包括镜头、三脚架和电缆
重量:约 350 克;不包括镜头、三脚架和电缆

公共安全与监控、建筑与能源管理、工业检测与维护、救援、电力、野外搜救、森林防火、电路板检测