ARTCAM-2020UV-CL 是一系列对 200 nm 至 1100 nm 波段具有高灵敏度的紫外相机,其 CMOS 传感器可检测到 200 nm 至 1100 nm 波段范围内人眼看不见的辐射。
高灵敏度紫外线检测
CameraLink 接口
1) 相机
2) 交流适配器(AC100-240V -> DC12V)
3) 软件光盘
1) 采集卡(可使用 EPIX 公司的 PIXCI-EB1)。
2) CameraLink 电缆(标准 5 米,可更换为 1 米或 3 米)
3) CameraLink SDK(EPIX 等公司生产的 XCLIB)
产地:日本
图像拾取装置:Gpixel 4.0M 像素 CMOS 传感器 GSENSE2020BSI
总像素数(高×宽):2056 x 2058
有效像素数(高×宽):2048 x 2048
像素尺寸(高×宽):6.5 × 6.5 μm
成像面积(高×宽):13.3 × 13.3 mm
对角线:18.809 mm,约 1.2 英寸
检测频段:200 至 1100 nm
快门类型:卷帘快门(可全局复位)
饱和容量/读出噪声:54ke1.6e- @12/11bits
A/D 分辨率:11/12 位
接口:相机链接(基本配置)
输出位数:12 位
帧频:11.5 帧/秒
快门速度:42.32 μs 至 2 s
ROI:仅垂直(水平仅在软件中提供)
同步系统:内部同步/外部触发器同步
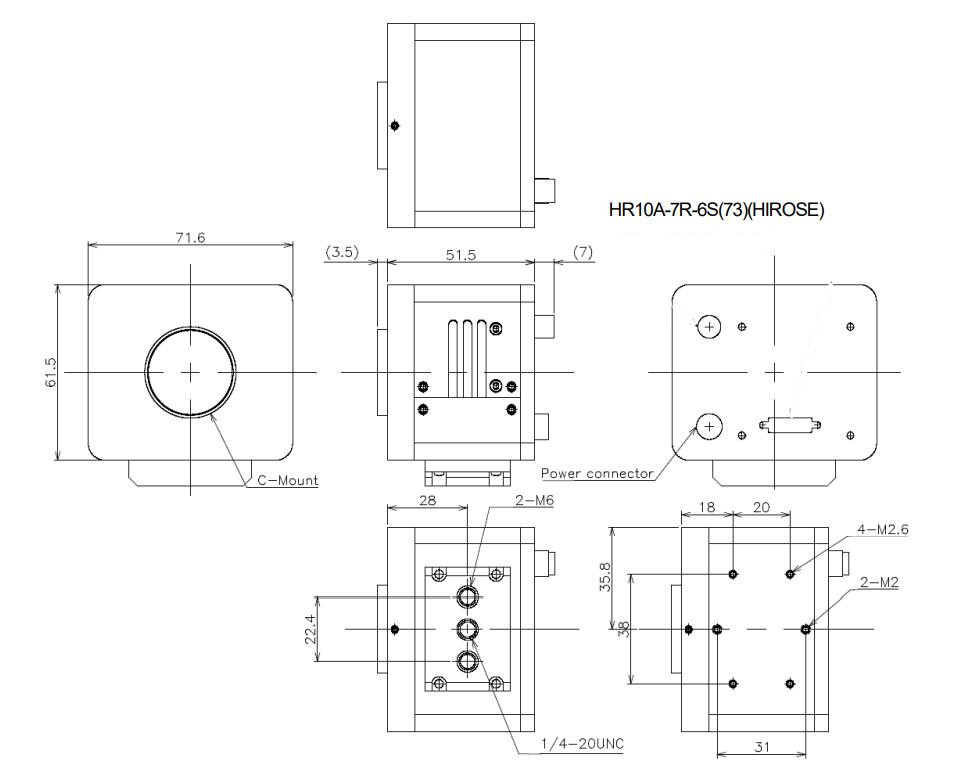
镜头安装:C 安装
外部 I/O 端子:HR10A-7R-6S(73) (HIROSE)
电源:DC 12 V 外部输入
功耗:约 6 W(正常工作时)
工作温度/湿度:0 至 35 ℃ /10 至 80 %(无冷凝)
存储温度/湿度:0 至 60 ℃ /10 至 95 %(无冷凝)
外部尺寸(W×H×D):71.6 × 61.5 × 51.5 毫米;不包括镜头、三脚架支架和投影仪
重量:约 240 克;不包括镜头、三脚架和投影仪

半导体制造、工业检测、食品、环境保护等领域