ARTCAM-0134AR-WOM 系列是工业用 CMOS 摄像机。该系列采用 USB2.0 接口,因此无需采集板即可直接将数据传送到 PC。相机配有板载存储器,可避免数据在传输过程中丢失。我们提供各种类型的相机,包括外壳相机、可轻松集成到其他设备的板式相机等。我们的相机采用 USB2.0 接口,因此可直接将数据传送到 PC,无需使用采集卡。我们的相机体积小、重量轻,因此可根据您的需要轻松安装。此外,板式相机配有小型板式镜头,易于与其他机器集成。我们提供各种类型的相机,包括外壳相机、板式相机、C-Mount 板式相机。 我们提供的查看器软件 - ART-Viewer (Windows 7/8/8.1/10/11),用户可通过该软件轻松预览、保存图像和更改相机设置。可选的 2D 测量和归档软件 -ART-MEASURE 提供了实用的 2D 测量功能。在开发图像处理软件时,我们还提供了一个软件开发工具包作为标准配置,该工具包可让您通过其他应用程序获取相机图像和控制相机。
USB2.0 接口
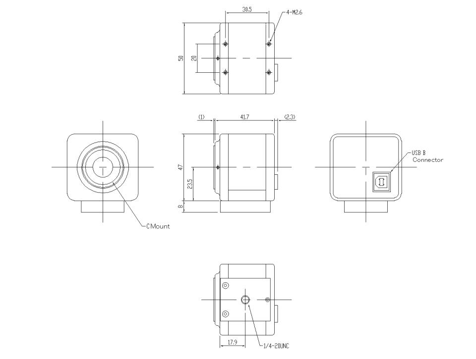
小巧轻便
品种齐全,满足您的需求
ROI(感兴趣区域)
镜像功能
边界查看器软件
可选二维测量和归档软件
随附软件开发包
1) 相机
2) USB2.0 电缆(A-B 型连接器电缆,长约 3 米)
3) 介绍手册
4) 查看器软件和设备驱动程序光盘
5) 软件开发包 [ARTCCM-SDK]
1) C 安装镜头
2) 2D 测量和填充软件 [ART-MEASURE]
3) 带 USB2.0 中继器的 5 米延长电缆
产地:日本
传感器类型:CMOS 彩色图像传感器
有源像素(高×宽):1280 × 960
有源成像器尺寸(高×宽):4.86 × 3.66 mm;1/3 英寸
扫描模式:逐行扫描
像素尺寸(高×宽):3.75 × 3.75 μm
快门类型:全局快门
滤色器阵列:RGB 拜尔模式
帧频:27.0 fps
快门速度:1/26747 至 0.61 秒
接口:USB 2.0 批量传输
同步系统:内部同步
镜头安装:板载镜头安装 M12 P 0.5
电源:DC 5 V(USB 端口供电)
功耗:约 2 W 以下
工作温度/湿度:0 至 35 ℃ / 10 至 80 %(无冷凝)
存储温度/湿度:0 至 60 ℃ / 10 至 95 %(无冷凝)
外部尺寸(W×H×D):43.5 × 43.5 × 26.2 mm;不含镜头、三脚架支架
重量:约 20 克

工业