ARTRAY摄像机ARTCAM-264IMX-USB3-T2

2121 阅读
产品介绍

ARTCAM-264IMX-USB3-T2 系列是专为工业用途设计的 USB3.0 CMOS 摄像机。采用 USB3.0 接口,因此无需采集卡即可将数据直接传输到 PC。选配的 2D 测量和归档软件 -ART-MEASURE 可提供实用的 2D 测量功能。采用 USB3.0 接口,因此无需捕捉板或主机适配卡即可直接与 PC 进行数据传输。CMOS 传感器采用全局快门,因此即使高速移动的物体也能清晰拍摄,不会失真。ART-Viewer (Windows 7/8/10)。用户可通过 ART-Viewer 轻松预览、保存图像并更改相机设置。在开发图像处理软件时,标配软件开发工具包可让您通过其他应用程序获取相机图像和控制相机。

性能特点

USB3.0 接口

全局快门

随附查看器软件

随附软件开发包

可选配二维测量和归档软件

产品结构与细节

1) 相机

2) USB3.0 电缆(USB3.0 A 至 micro B 型 3.0m)

3) 查看器软件和设备驱动程序光盘

可选功能与配件

1) C 安装镜头

2) 2D 测量和填充软件 <ART-MEASURE

技术参数

产地:日本

传感器类型:CMOS 图像传感器

型号:IMX264LQR-C

有效像素(高×宽):2464 ×2056

有源图像尺寸(高×宽):8.5 × 7.09 mm;2/3 英寸

扫描模式:逐行扫描

像素尺寸(高×宽):3.45 × 3.45 μm

快门:全局快门

滤色器阵列:RGB 拜尔模式

同步方式:内部同步(主模式)

接口:USB3.0 批量传输

镜头卡口:C 卡口

帧频:Max 36 fps (8 bit / 24 bit)

曝光时间:0.1 至 700 米秒

电源电压:5.0 V (± 0.5 V) USB 总线电源

功耗:约 3.5 W

工作温度/湿度:0 ~ 35 ℃;10 ~ 80 %(非水蒸气凝结状态)

存储温度/湿度:0 ~ 60 ℃;10 ~ 95 %(非水蒸气凝结状态)

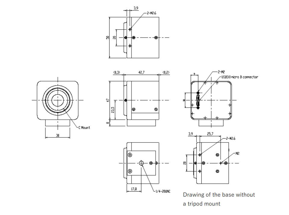
外部尺寸(宽×高×深):50.0 × 47.0 × 42.7 毫米;不包括镜头、三脚架支架和投影仪

重量:约 140 克;不包括镜头、三脚架支架

产品尺寸

产品应用

工业用途

相关产品