ARTCAM-MI-WOM 系列是工业用 CMOS 摄像机。该系列采用 USB2.0 接口,因此无需采集板即可直接将数据传送到 PC。相机配有板载存储器,可避免数据在传输过程中丢失。我们提供各种类型的相机,包括外壳相机、可轻松集成到其他设备的板式相机等。我们提供从 3600 万像素到 1400 万像素各种分辨率的高速 CMOS 摄像机。我们的摄像机采用 USB2.0 接口,因此可直接将数据传送到 PC,无需采集卡。此外,板式相机配有小型板式镜头,易于与其他机器集成。我们提供各种类型的相机,包括外壳相机、板式相机、C-Mount 板式相机。此外,我们还提供彩色和单色型号,以满足客户的需求。对于 ARTCAM-036MI2-WOM / 130MI-WOM / 500MI-WOM 系列,还可根据您的要求提供单色和近红外型号。CMOS 传感器的一大优势是 ROI 功能,它可以以更快的传输速度读出设定的部分图像。ARTCAM-036MI2-WOM 系列采用全局快门,适合机器视觉。镜像可在传感器或查看器软件(ART-Viewer)上处理。我们提供查看器软件 - ART-Viewer (Windows 7/8/8.1/10/11)。通过该软件,用户可以轻松预览、保存图像并更改相机设置。可选的 2D 测量和归档软件 -ART-MEASURE 提供了实用的 2D 测量功能。在开发图像处理软件时,标配的软件开发工具包可让您通过其他应用程序进行相机图像采集和相机控制。
高分辨率、高帧频
USB2.0 接口
小巧轻便
满足您的各种需求
ROI(感兴趣区域)
子采样功能
镜像功能
边界查看器软件
可选2D 测量和归档软件
随附软件开发包
0.36M 像素 ARTCAM-036MI2-WOM 系列
1.3M 像素 ARTCAM-130MI-WOM 系列
3.0M 像素 ARTCAM-300MI-WOM 系列
5.0M 像素 ARTCAM-500MI-WOM 系列
10.0M 像素 ARTCAM-1000MI-WOM 系列
14.0M 像素 ARTCAM-1400MI-WOM 系列
1) 相机
2) USB2.0 电缆(A-B 型连接器电缆,长约 3 米)
3) 介绍手册
4) 查看器软件和设备驱动程序光盘
5) 软件开发包 [ARTCCM-SDK]
1) C 安装镜头
2) 2D 测量和填充软件 [ART-MEASURE]
3) LabView DLL
4) 带 USB2.0 中继器的 5 米延长线
产地:日本
传感器类型:CMOS 彩色图像传感器
有源像素(高×宽):752 ×480
有源成像器(高×宽):4.51 × 2.88 毫米
尺寸:1/3 英寸
扫描模式:逐行扫描
像素尺寸(高×宽):6.0 × 6.0 μm
快门类型:全局快门
滤色器阵列:RGB 拜尔模式
帧频:60 帧/秒
快门速度:1/33149 至 0.988 秒,频率 24 MHz
接口:USB 2.0 批量传输
同步系统:内部同步
镜头安装:C 安装
电源:DC 5 V(USB 端口供电)
功耗:约 2 W 以下
工作温度/湿度:0 至 35 ℃ / 10 至 80 %(无冷凝)
存储温度/湿度:0 至 60 ℃ / 10 至 95 %(无冷凝)
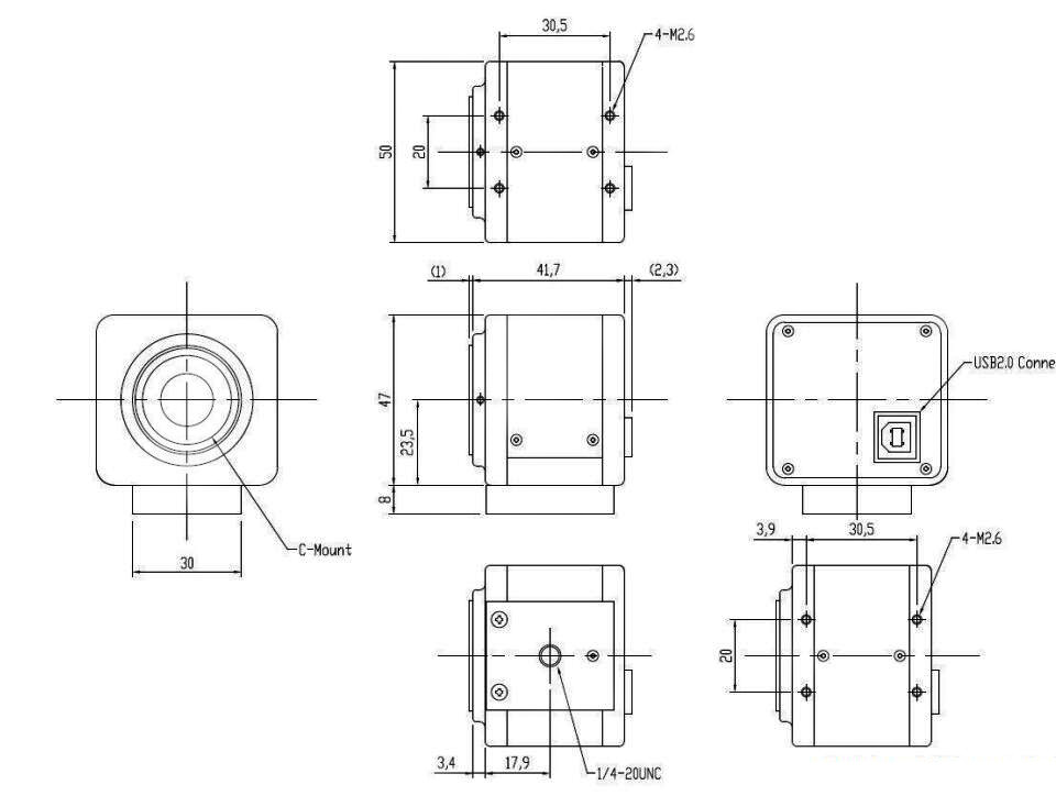
外部尺寸(W×H×D):50 × 47 × 41.7 mm;不含镜头、三脚架支架
重量:约 110 克;不含镜头、三脚架支架和线缆

工业