Agiltron 的自由空间电光调制器 (FEOM) 是一种易于使用的工具,可用于修改覆盖宽波长范围的自由空间激光器的相位、偏振或振幅。对于一般应用,该设备使用一对补偿 LiNbO3 晶体。对于高功率和短波长应用,该设备使用一对特殊晶体来克服 LiNbO3 不稳定性。应通过施加 ± 替代高压来驱动设备,以避免内部电荷积聚。
我们提供调制范围从 DC 到 MHz 的驱动电子设备;由于放大功率有限,调制深度与频率有关。
偏振立方体可以对齐并安装在输入和输出端口,以形成强度调制器。

产地:美国
波长范围
W1:400...600nm
W2:600...900
W3:900...1250
W4:1250...1650
通光孔径:min.3 mm
半波电压,非谐振:205V @ 633nm
消光比:min.10 dB
输入阻抗,谐振:50 ohms
输入电容,非谐振:14 pF
光功率密度
532nm:max.10 W
1064nm:max.120 W
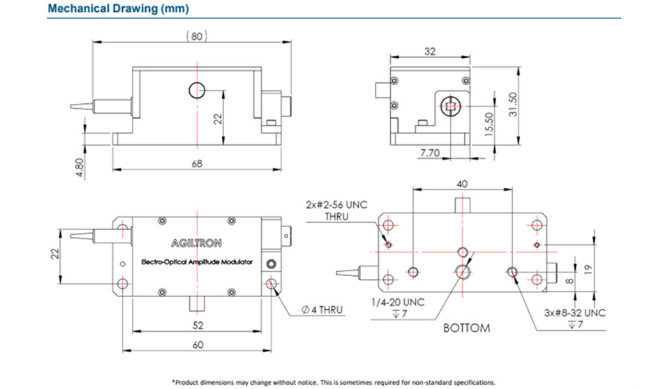
尺寸:86 x 32 x 32 mm
温度:-20...50 °C
