产品中心

STANDA单色仪MSA-130

636 阅读
产品介绍

MSA-130单色仪的主要特点是能够在色散的加法和减法模式下工作。它是一种能够提供这两种模式而无需任何额外校准和校准的仪器。加法和减法模式可通过手动将选择器旋钮从“加法”位置切换到“减法”位置进行交换,反之亦然。在色散添加模式中,MSA-130具有260nm的有效焦距和由中间狭缝和仔细计算的光学设计引起的低杂散光。

在色散减法模式中,MSA-130用作可调谐低杂散光滤波器,其通带可从0.2nm到80nm变化。由MSA-130分离的零色散光谱范围由中间狭缝确定。中心波长由计算机通过同步转动两个相同的衍射光栅来设置。入口、中间和出口狭缝具有手动控制和开口宽度的平滑微米调节。MSA-130单色仪软件允许根据输入、中间和出口狭缝的设置宽度计算两种操作模式下的FWHM。MSA-130的输入和输出端口都可以配备AFA孔径匹配系统,确保使用光纤进行输入和输出。

性能特点
  • 只需转动旋钮即可在两种操作模式之间切换
  • 双单色仪具有良好的杂散光抑制效果
  • 减法和加法模式
  • 紧凑经济
  • 高吞吐量
技术参数

产地:立陶宛

焦距

-1st单色仪,准直镜:130 mm

-1st单色仪,聚焦镜:142 mm

-2nd单色仪,准直镜:142 mm

-2nd单色器,聚焦镜:130 mm

端口:1个输入,1个输出

F/编号:1:4.5

入口和出口狭缝

狭缝宽度:可在0到2.0 mm之间调节

狭缝高度:12mm

并行度:+/-1 mkm

千分尺读数精度:+/-1 mkm

中间狭缝

狭缝宽度:可在0到5.0 mm之间调节

狭缝高度:12mm

并行度:+/-1 mkm

千分尺读数精度:+/-1 mkm

杂散光:10-9

计算机接口:高速USB

电气服务要求:单相主电源85-264 VAC;47-63Hz

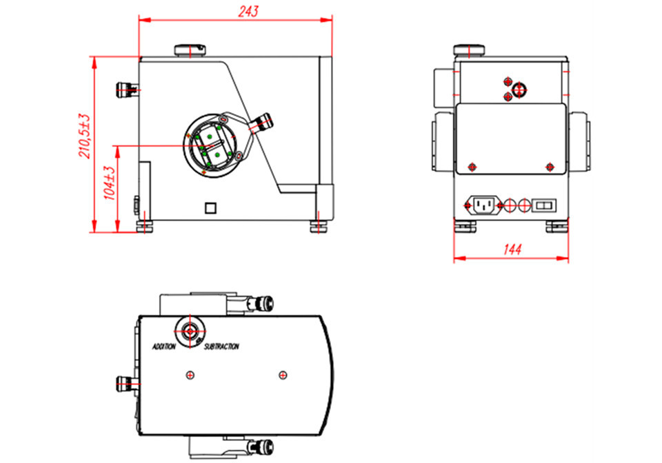
尺寸:265 x 195 x 210mm

重量:8 kg

产品尺寸

相关产品