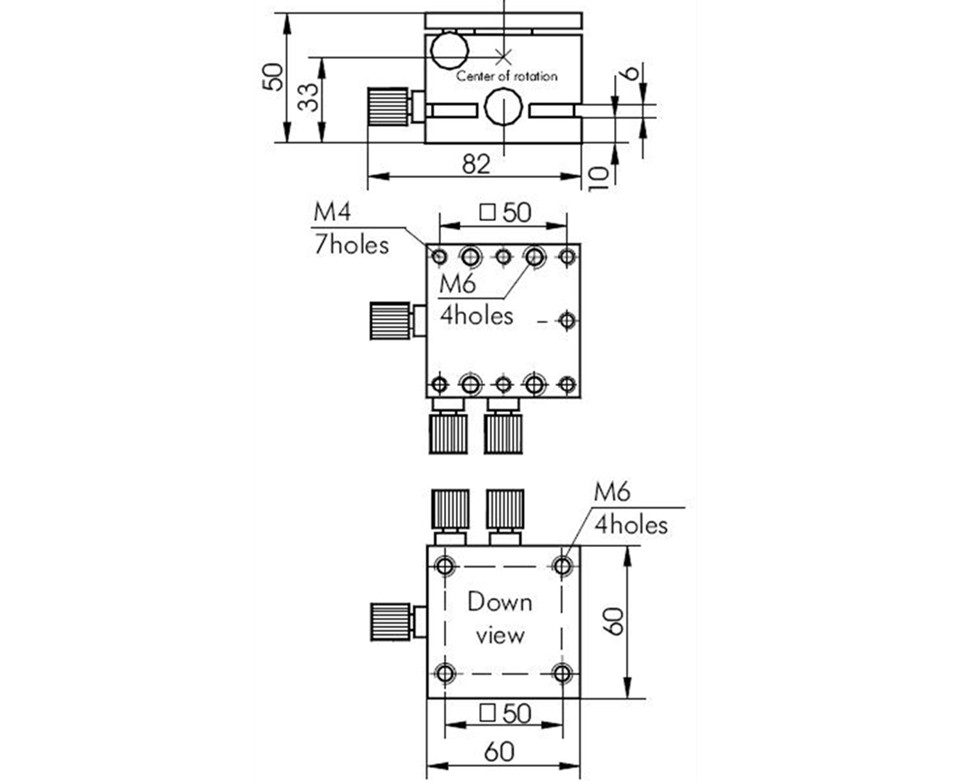
三角棱镜/分束器台6PT169在三个平面上提供未校准的倾斜运动。它是棱镜、分束器和反射镜的理想工作平台,需要绕三个正交轴准确调整角度。使用弹簧夹具4SC,各种光机机构可以快速且一致地连接到工作台的顶部。可以使用杆夹4BC32或V形夹4VC41将棱镜固定在工作台顶部。每三个角度棱镜/分束器台6PT169配备三个驱动器,确保绕三个不同的轴旋转。两个较低的螺钉围绕两个正交的水平轴转动桌子的顶部。上部螺丝确保在平面内围绕垂直轴旋转。所有三个旋转都是完全独立的,并且所有三个轴都是完全正交的。细螺距螺纹确保高分辨率,提供稳定的平台。所有三个旋转都在顶板中心下方约27mm处。三角分束器工作台6PT169可以连接到STANDA光学工作台或使用工作台夹具3TC5连接到其他工作台。此外,在桌子底部还提供了四个连接螺纹M6孔。桌子的主要部件由黑色阳极氧化铝制成。
产地:立陶宛
倾斜度Qx:±4°
倾斜度Qy:±4°
旋转Qz:±4°
孔型:4xM6;7xM4
负载能力:1.00 kg
安装:水平或垂直
自由度:三个
材质(主要部件):黑色阳极氧化铝
重量:0.43千克
