超过额定值的应力可能会损坏激光器。请注意,虽然没有达到大电流,但可能会出现损坏性光功率水平。这些仅是应力额定值,并不意味着在这些条件下或超出 "建议运行条件 "下所示的任何其他条件下都能正常运行。
可调谐 760 nm DFB 激光器
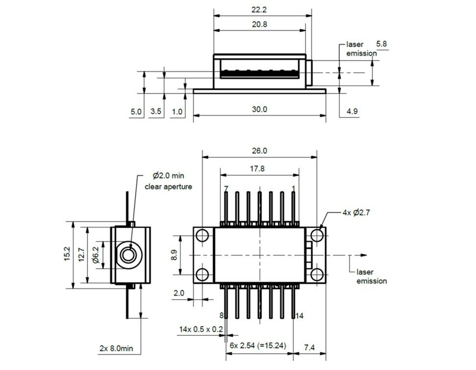
带密封式 14 引脚蝶形外壳(符合 RoHS 规范)
包括监控二极管、热电冷却器和热敏电阻
集成光束准直功能
产地:德国
存储温度:-40至85 °C
外壳工作温度:-40至85 °C
激光芯片工作温度:10至50 °C
正向电流:130 mA
反向电压:2 V
输出功率:50 mW
TEC 电流:1.1 A
TEC 电压:2.8 V
外壳工作温度:-20至65 °C
激光芯片工作温度:10至35 °C
正向电流:120 mA
输出功率:10至40 mW
center波长:759.9 至 761.9 nm
目标波长:760.9 nm
线宽 (FWHM):2 MHz
无跳模调谐范围:40 pm
SMSR:30 至 50 dB

光谱学、计量学、氧气检测