TV1xxxx 系列收发器的设计符合 SONET OC-3 和 STM-1(155.52Mbps)ITU-T SDH 速率规范。收发器采用 1x9 引脚封装,带双工 SC 连接器接口,由塑料或金属化外壳制成,具有良好的电磁干扰屏蔽性能。OSA 由定制 IC 驱动,该 IC 将差分 LVPECL 逻辑信号转换为激光二极管驱动电流。接收器包括一个平面 InGaAs PIN 光电二极管和一个安装在 OSA 中的跨阻前置放大器集成电路。OSA 与定制的限幅放大器相连,后者提供后置放大和信号检测功能(高电平有效)。收发器设计用于单电源供电(+3.3V 或 +5V),工作温度范围为 0℃ 至 +70℃ 或 -40℃ 至 +85℃。
符合 SONET 0C-3 和 ITU-T SDH STM-1 规范
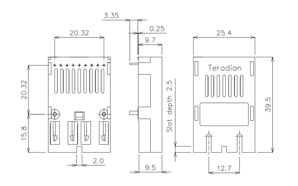
工业标准 1X9 封装,带双工 SC 连接器
1.3um 或 1. 55μm 非致冷 InGaAsP SMQW 法布里-珀罗 (FP) LD 或分布式反馈 (DFB) LD 和 APC,用于恒定输出功率
高灵敏度 InGaAs PIN 光电二极管,波长范围为 1.1μm 至 1.6um
单路 +3.3V 或 +5V 电源
LVPECL 差分数据输入和输出
通过 Teradian 可靠性和质量保证计划的测试

距离选项:15km/40km/80km/ 100km/120km (9/125μm SMF)
产地:韩国
工作温度:0 至 +70 ℃/-40 至 +85℃
存储温度:-40 至 85 ℃
电源电压:-0.5 至 6.0 V
引线焊接温度/时间:260/10 ℃/sec
相对湿度:95 %
直流电源电压:3.1 至 3.5 V(4.75 至 5.25 V)
数据比特率:155.52 Mbps
光纤长度9μm 芯 SMF:15 至 40 km(可达120 km)
平均输出功率:-15 至 -8 dBm;-5 至 0 dBm;-2 至+2 dBm;+1 至+3 dBm
消光比:10 dB
Center波长:1261至1360 nm;1270至1360 nm;1480至1580 nm
光谱宽度:2.5至4.0 nm
SMSR:30 dB
光学上升/下降时间:2.0 nsec
灵敏度(平均输入功率):-37 至 34 dBm
接收器过载:-3.0 dBm
减少光输入信号检测阈值:-46 dBm
增加光输入信号检测阈值:-38 dBm
信号检测滞后:0.5 至 1.0 dB

用于电信和数据通信系统,从中速到高速,适用于局内、短途局间和长途局间应用。
局内和局间 SONET/ITU-T SDH、环路光纤(FT至、FTTC、FTTH 等)、用户环路、高速数据链路、单模 FDDI、专用光网络、ATM