这是一款高辐射 660 nm 红色 LED,专为要求高发光强度和日光下可见度的应用而优化设计。
660 nm红色
高发光强度,典型值为 1 00 mcd
高可靠性
密封封装
12 度半角发光
类似于 1 N6609
符合 MIL-PRF-1 9500/519 标准的屏蔽要求
TXPI 1037 红色,660 nm发光二极管,TO-18 金属外壳,1N6609
TXPI 1039 绿色,567 nm 发光二极管,TO-18 金属外壳,1N6611
TXPI 1038 黄色,584 nm 发光二极管,TO-18 金属外壳,1N6610
TXPI 1201 红色,660 nm 发光二极管,TO-18 金属外壳,1N6092
TXPI 1203 绿色,567 nm 发光二极管,TO-18 金属外壳,1N6094
TXPI 1202 黄色,584 nm 发光二极管,TO-18 金属外壳,1N6093
TXPI 1315 蓝色,472 nm 发光二极管,TO-18 金属外壳
产地:美国
存储温度:-65°C 至 +125°C
外壳工作温度:-65°C 至 +1 00°C
引线焊接温度:260°C,10 秒钟
连续正向固化:35 mA
峰值正向电流:1 A
反向电压:5 伏
脉冲宽度:1 微秒,300 Hz
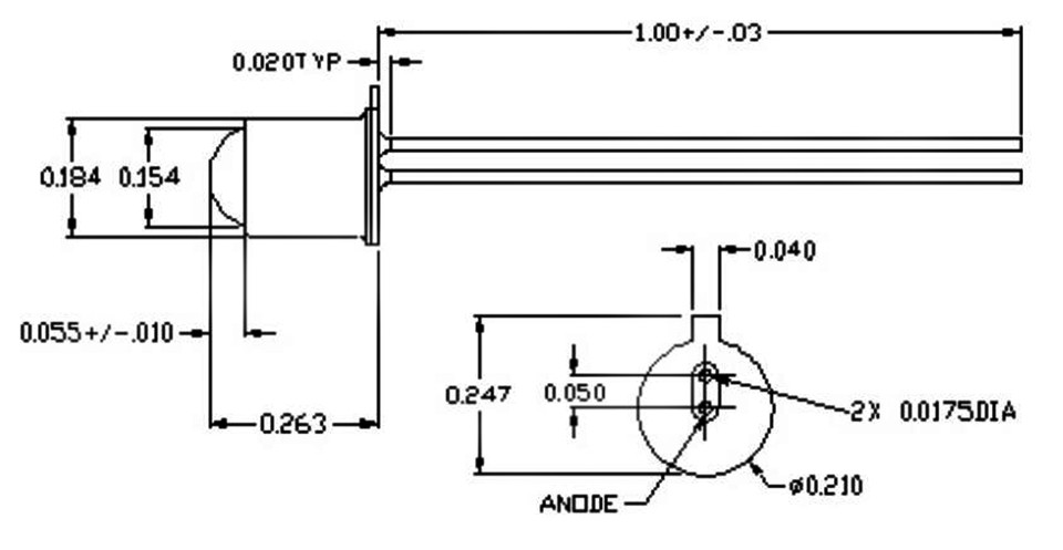
公差:+/-0.005 英寸
正向电压:2.3 至 3.0 V
反向电流:1.0 μA
半功率时的半角:12 DEG
电容:100 pF
发光强度 1:20 至 100 mcd
发光强度 2:1.5 mcd
峰值波长:640 至 680 nm

军事、航天、工业和商业领域