物镜设计以客户的要求和应用为导向。OEM 仪器制造商和研究团体开发的创新理念和非传统解决方案无法得到现成商用显微镜物镜的支持。我们支持客户在研究、OEM 仪器、半导体、光片显微镜、双光子、多光子和物理科学研究领域挑战显微镜的上限。我们的专长是设计具有衍射限制性能的多元件高 NA 精度组件,以及用于单波长采样、分辨率要求不高、需要商业公差装配技术的物镜。我们拥有庞大的参考设计库和丰富的经验,能够生产出满足准确性能要求的透镜。
工作距离从 0.3 mm到 55 mm不等
波长范围从可见光(390-750 nm)到近红外(700-1400 nm)
可通过不锈钢、ultem 和钛外壳进行改装
适应水、油和真空环境
产地:美国
镜头类型:空气
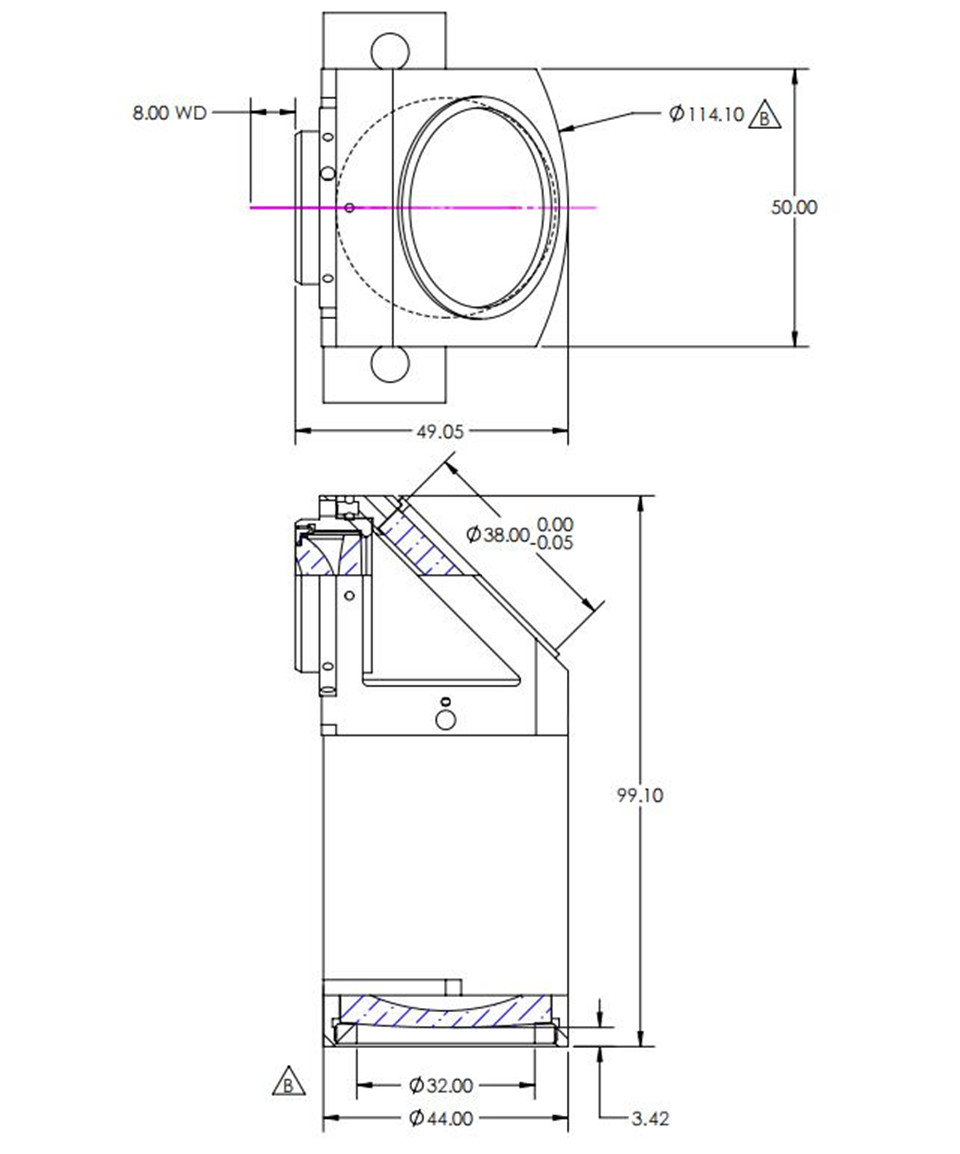
净空:0.6
光圈:33 mm
EFL:22 mm
工作距离:8 mm空气
视场角:5 mm
外壳:Ultem
材料:不锈钢、铝、ULTEM、钛、MACOR
波长范围 (nm):可见光 (390-750 nm) 至近红外 (700-1400 nm)
工作距离:0.1 至 55 mm

物理科学研究的定制显微镜物镜