产品分类

品牌标签

Renesas传感器ISL29501

715 阅读
产品介绍

ISL29501 是一款基于飞行时间 (ToF) 的信号处理集成电路。该传感器与外部发射器和检测器相结合,可实现低成本、低功耗和远距离光学距离传感。ISL29501 内置电流 DAC 电路,可驱动外部 LED 或激光器。发射器发出的调制光经过目标反射后被光电二极管接收。光电二极管随后将返回信号转换为电流,ISL29501 利用电流进行信号处理。片上数字信号处理器 (DSP) 可计算飞行时间,该时间与目标距离成正比。ISL29501 配备 I2C 接口,用于配置和控制。使用外部光电二极管和发射器,用户可以优化系统设计,使其性能、功耗和距离测量范围适合其工业设计。ISL29501 与波长无关,允许使用其他更适合应用的光波长。

性能特点

可进行近距离检测和距离测量

调制频率为 4.5MHz

发射器 DAC,可编程电流高达 255mA

可在连续和单次模式下工作

片上主动环境光消除

自动增益控制机制

中断控制器

电源电压范围为 2.7V 至 3.3V

支持 1.8V 和 3.3V 总线的 I2C 接口

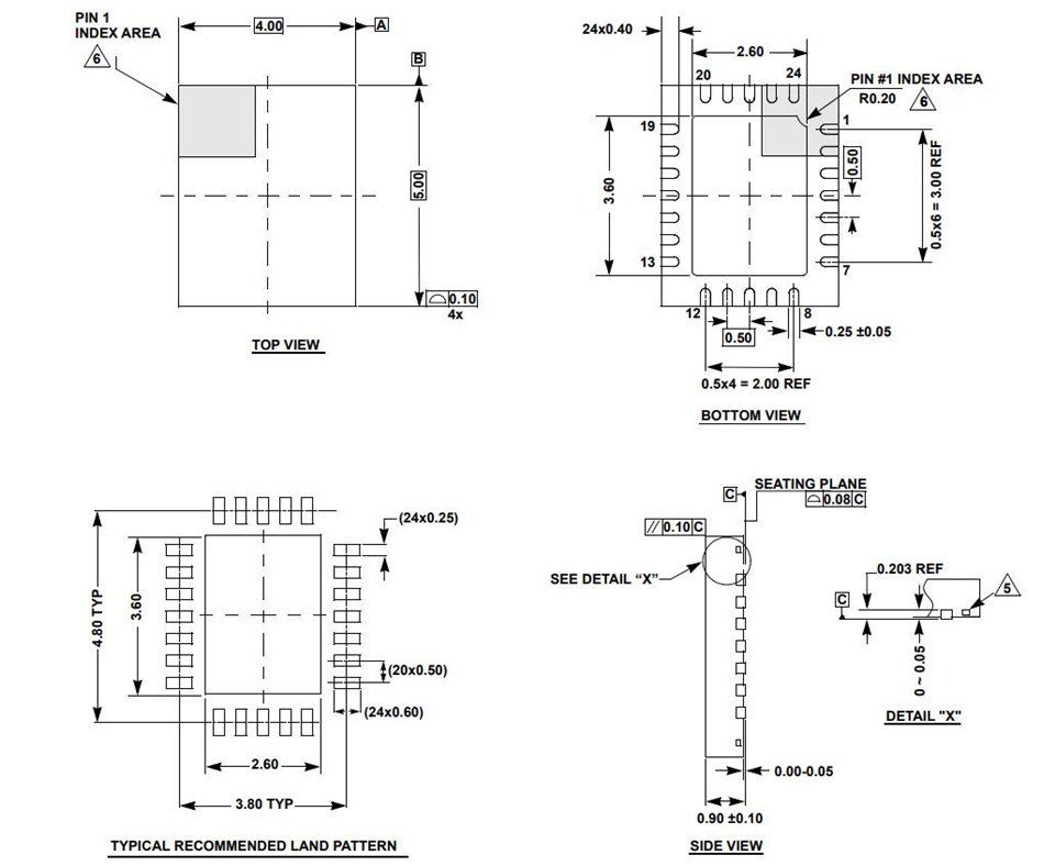
低矮型 24 Ld 4x5 QFN 封装

产品结构与细节

1、2、13 AVSS 与 AVSS 连接

3 CEn 芯片使能,低电平有效

4 A2 I2c 地址位,拉至 DvCC 或 DVSS。

5 SDA I2c 数据总线

6 SCL I2c 时钟总线

7 A1 I2c ID 地址位,拉至 DVCC 或 DVSS。

8 IRQ 中断,低电平有效,开漏输出信号至主机。需要 2.7kQ 上拉至电源。

9 SS 采样开始:输入信号,高电平至低电平边沿有效。

10 EVSS 发射器驱动器接地。连接至发射器阴极。

11 EIR 发射器驱动输出。连接至发射器阳极。

12 EVCC 发射极驱动器电源。使用 2.2μF 或更大的电容器以及 0.1μF 高频电容器进行去耦。

14 DVCC 数字电源 2.7V 至 3.3V 电源

15 DVSS 数字电源接地

16 AVSS 模拟电源接地

17 AVCC 模拟电源 2.7V 至 3.3V 电源

18 VOUT AFE LDO 输出,与 AVDD 连接,用 1μF 和 0.01μF 电容器对去耦。

19 AVDD AFE 模拟电源

20, 23 AVSS 模拟接地屏蔽

21 PDp 光电二极管阴极输入端

22 PDn 光电二极管阳极输入端

24 RSET 设置芯片偏置电流。与 10kQ 电阻器连接,1% 至 AVSS 接地。

技术参数

产地:日本

电源电压范围:-0.2 V 至 4 V

所有其他引脚上的电压:(-0.3 V 至 VCC)+ 0.3 V

ESD 额定值

人体模型(根据 JESD22-A114E 测试):2 kV

机器模型(根据 JESD22-A115-A 测试):200 V

闩锁(根据 JESD-78C 测试;2 类,A 级): 100 mA

QFN 封装热阻(典型值):35 θJA (°C/W);1.2 θJC (°C/W)

Max结温(塑料封装):+150 °C

工作温度:-40 °C 至 +85 °C

电源电压:2.7 V 至 3.3 V

调制频率:4.45至4.65 MHz

芯片电源:2.7至3.3 V

从芯片启动到初次采样的延迟:500 μs

从睡眠模式到初次采样的延迟:3 μs

静态电流 - 休眠模式,DVCC+AVCC+EVCC:2.5 μA

静态电流 - 关机,DVCC+AVCC+EVCC:1 μA

测量时芯片电流,DVCC+AVCC+EVCC:55 mA

产品尺寸

产品应用

准确的远程距离测量、无人机/机器人防撞和软着陆、工业自动化、汽车停车传感器、门传

感器、筒仓液位监测、多式联运和海运集装箱货物装载传感器、人员存在检测和避障、智能家居和办公室、智能电器、厕所和装置、智能信息亭、人员计数

相关产品