Monocrom模组808nm 40W

578 阅读
产品介绍

Monocrom的CS-mount-808-nm是一种波长为780至830 nm、输出功率为20至500 W、工作电流20至450 A。Monocrom的夹紧技术与我们的二极管激光支架中毫米尺寸冷却通道的使用相结合,使激光头非常坚固可靠,适合工业环境,维护要求低。

性能特点
  • 一个具有良好散热性能和低光学畸变的导电冷却封装。
  • 该包装中有各种各样的二极管板条,中心波长可以根据您的需要进行调整。
  • 我们的二极管棒与2个散热器间接接触,帮助它们更容易冷却。
  • 由于使用了宏通道,我们避免了水障碍。
  • 无焊料夹紧棒可自由伸缩,避免机械应力。
  • 我们的二极管板条支架实现了每脉冲高能量和高的光束质量,从而提高了亮度。
  • 当机械应力不再是问题时,产品寿命显著增加。
技术参数

产地:西班牙

配置:多发射器

板条配置:垂直堆栈

波长:780至830nm

输出功率:20至500W

输出功率:20至500W

冷却方法:传导冷却

光谱宽度(FWHM):3nm

工作电流:20至450A

阈值电流:7到30A

填充系数:18至90%

平行光束发散:6到10度

光束发散垂直:29至37度

发射尺寸/发射器芯片:90至220µm

边坡效率:1.1至1.25 W/A

安装类型:CS安装

堆栈/阵列:阵列/堆栈

横向模式:TE/TM

类型:自由空间激光二极管

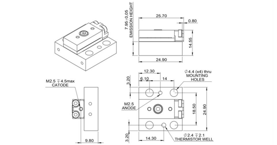
产品尺寸

相关产品