我们提供广泛的标准和自定义红外(IR)探测器。我们的红外探测器坚固耐用,价格合理,可批量生产。所有探测器均符合ROHS标准,不含任何汞、镉或铅。探测器解决方案可以包括电子产品,从而为您的产品或测试需求提供交钥匙解决方案。我们为您提供量身定制的OEM解决方案;我们的应用程序工作人员与您密切合作,指定、开发和生产您所需要的产品。
产地:美国
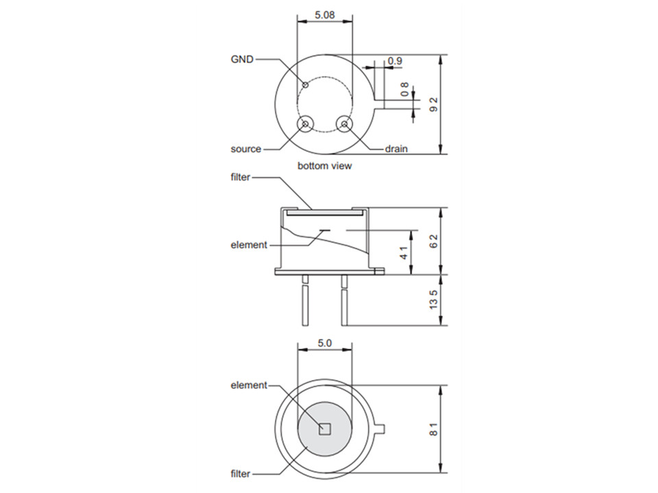
元件尺寸:1 mm×1 mm
孔径:5.0 mm
滤波器:自定义设计
响应度:>1100 V/W
噪音:<500 nV/Hz
比探测率:>2.108cm Hz/W
偏移电压:0.4至1.5 V
工作电压:2至18 V
TO外壳:39
工作温度:–20至70°C
储存温度:–20至70°C

关键应用包括光谱学、气体传感、激光计量、测距仪、激光雷达、量子级联和CO2激光系统。