Archer OpTx成型镜片是使用PerfectLens生产的技术平台。这项技术生产出高产量、长寿命的模具,这些模具没有由于模具的单点金刚石车削而在许多成型透镜上常见的高频表面缺陷。这些高频缺陷通常不会出现在干涉图上,但会产生麻烦的衍射和散射效应,在可见光应用中尤其明显。
产地:美国
材料:S-LAH60M
边缘倒角:0.1-0.3 mm
AR涂层:400-650nm(“A”涂层)
620的反射率:<0.5%-1080nm(“B”涂层),每个表面。
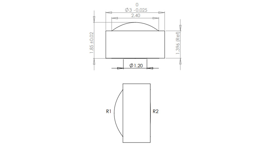
外径:3.00 mm
CT:1.85 mm
EFL:2.00 mm
BFL:1.10 mm
NA:0.48
玻璃盖厚度:0.25 mm
